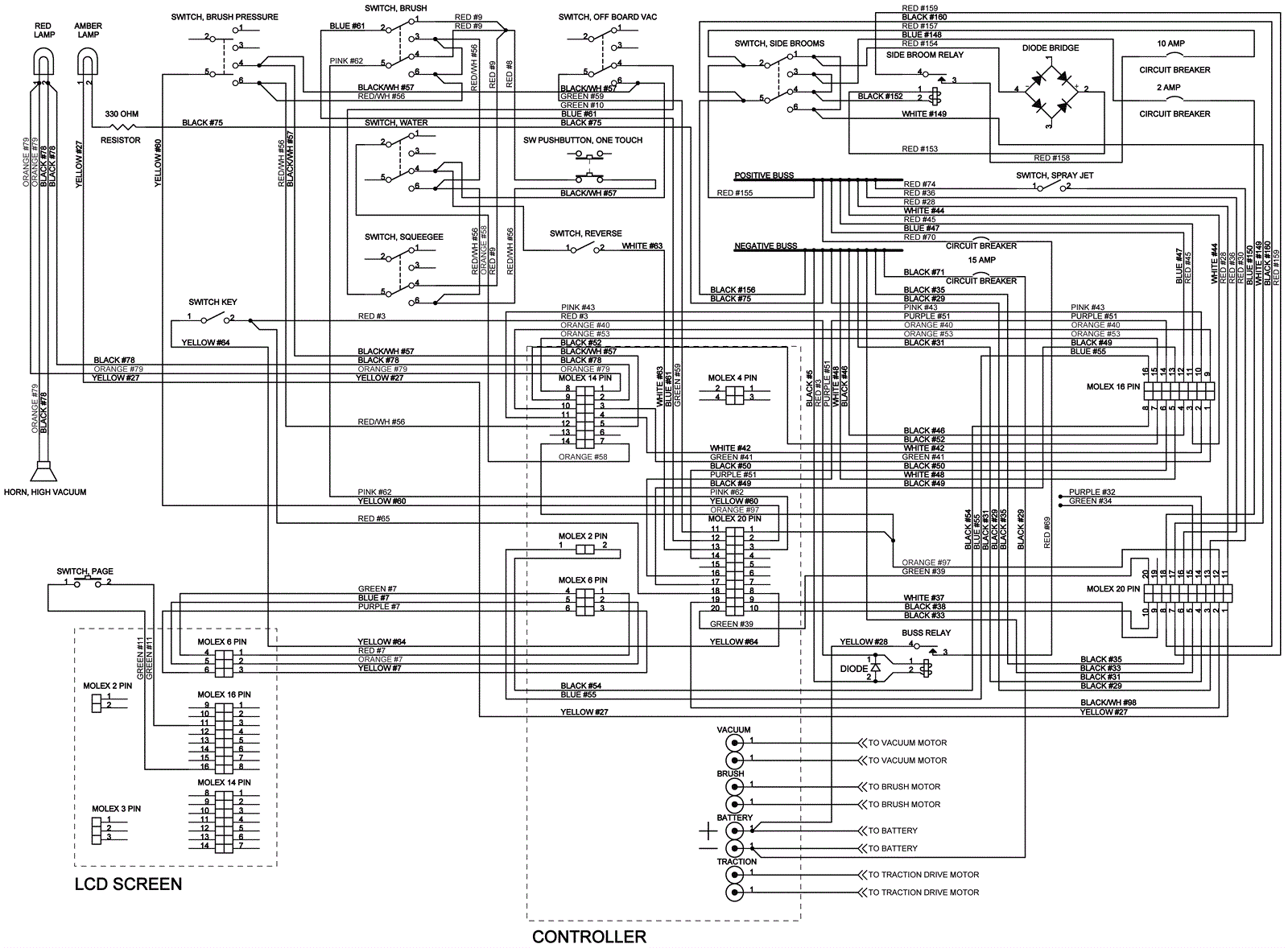
Wiring Diagram - Central Command II
Click to enlarge