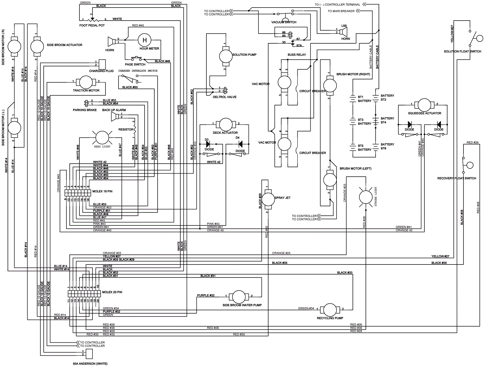
Wiring Diagram - Central Command II with Dual Vacuum Motors
Click to enlarge