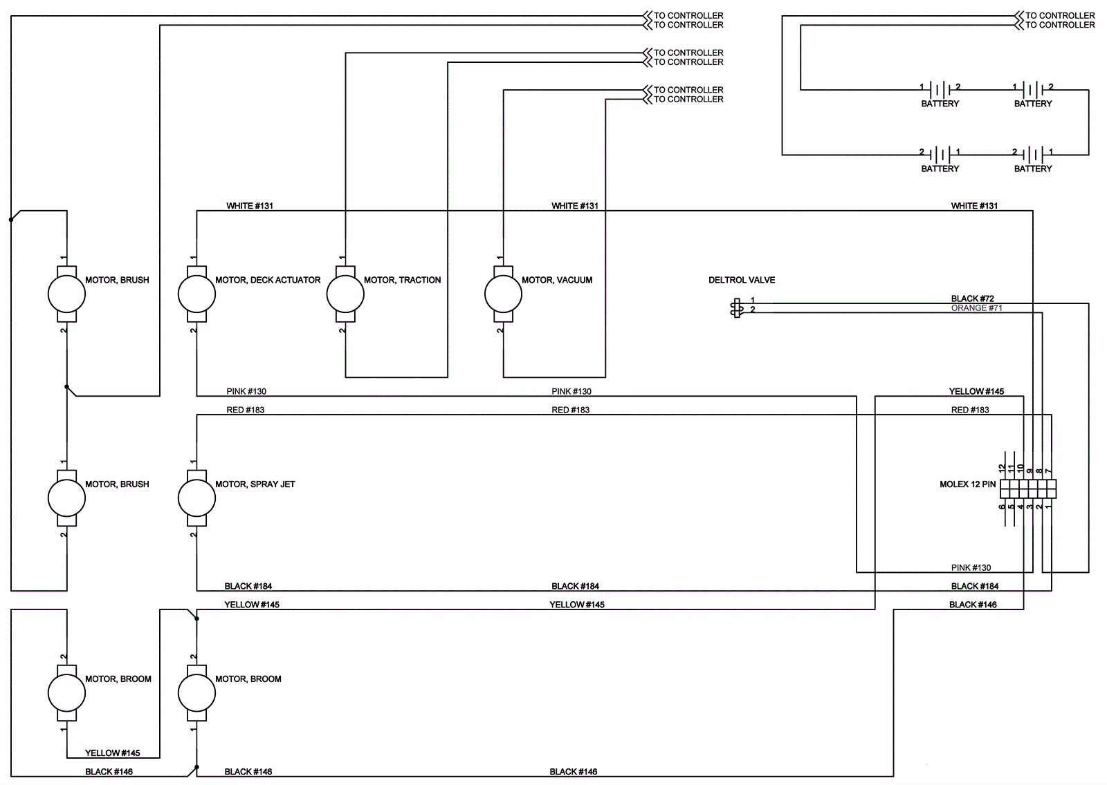
Wiring Diagram - Motor and Batteries
Click to enlarge