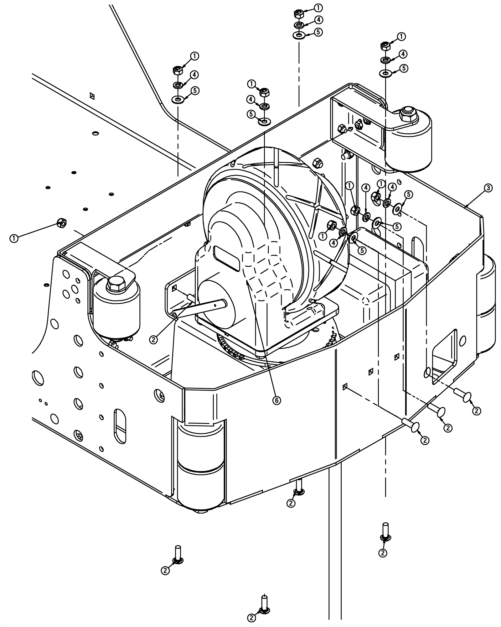
| # | Part | Description | Price | Req | Notes | Availability |
1 |
999-0423
|
Nut 5/16-18 nylon insert lock stainless steel |
$0.99
|
10 |
|
ships same day |
2 |
999-9066
|
Bolt 5/16-18 x 1 carriage head stainless steel |
$1.34
|
10 |
|
ships same day |
3 |
202-1883
|
Main frame (OBSOLETE) |
$1,058.97
|
1 |
|
usually ships 1-5 days |
4 |
999-0553
|
Washer 5/16 medium split lock stainless steel |
$0.99
|
7 |
|
ships same day |
5 |
999-0964
|
Washer 5/16 x 3/4 flat stainless steel |
$0.99
|
7 |
|
ships same day |
6 |
202-3604
|
250 front wheel assembly |
Call for price
|
1 |
|
usually ships 10-12 days |