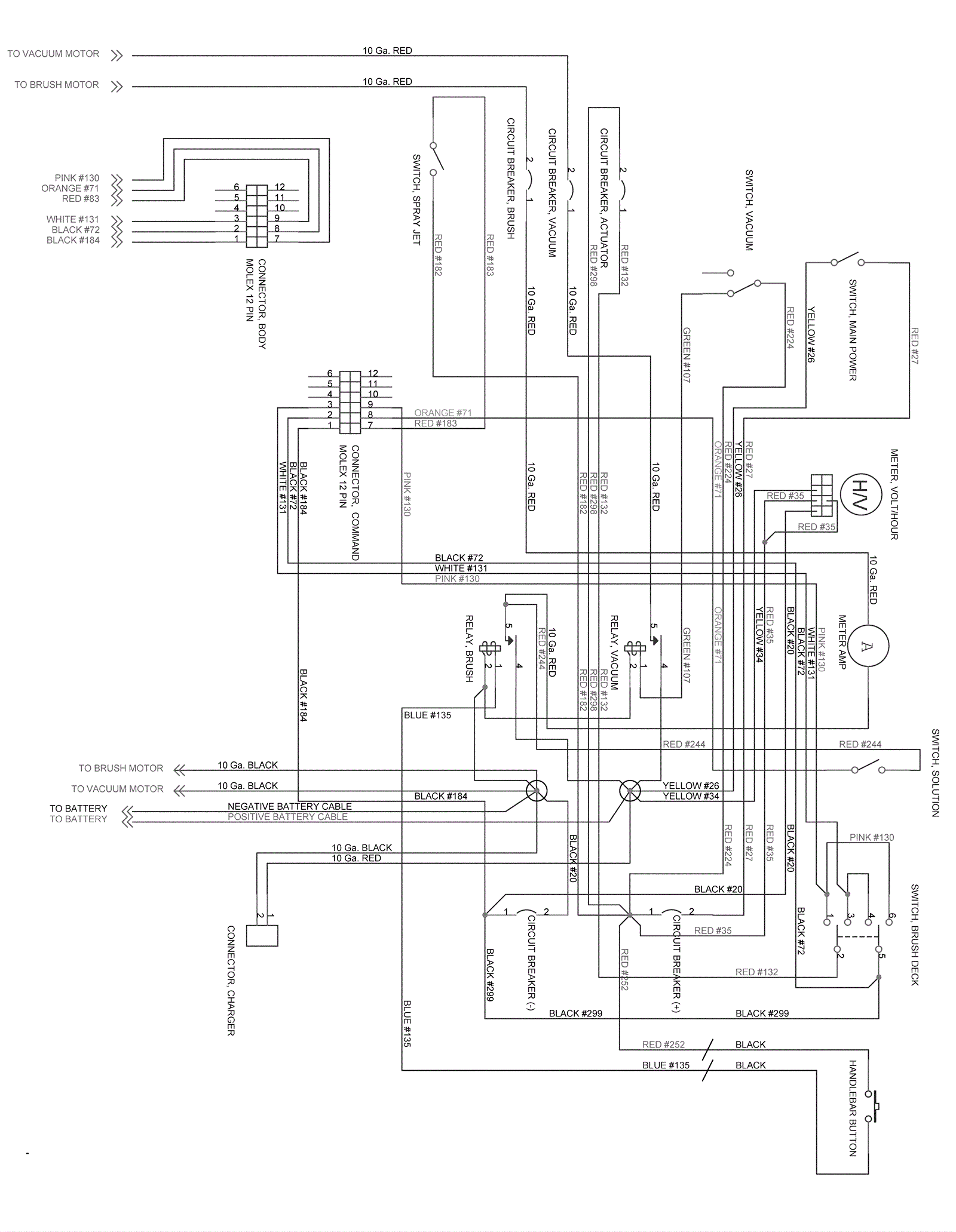
Brush Assist Central Command Wiring Diagram
Click to enlarge