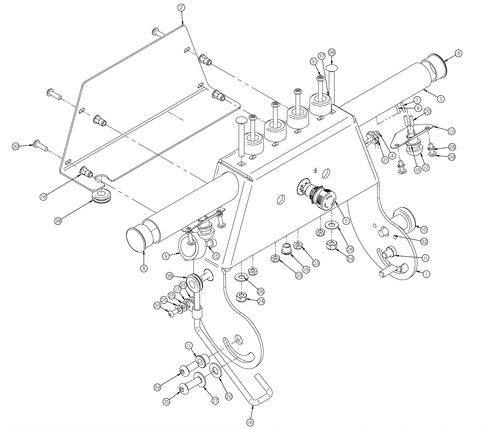
# | Part | Description | Price | Req | Notes | Availability |
1 |
202-5392
|
Adjustable handle bar holder |
$126.06
|
1 |
|
usually ships 1-5 days |
2 |
202-5393
|
Handlebar cover |
$29.26
|
1 |
|
usually ships 1-5 days |
3 |
202-5447
|
Dual button handle bar |
$86.57
|
1 |
|
usually ships 1-5 days |
4 |
202-5396
|
Toggle switch |
$49.50
|
1 |
|
usually ships 8-13 days |
5 |
202-4191
|
Emergency stop button |
$116.60
|
1 |
|
ships same day |
6 |
202-2866
|
12 inch large 16 Gage red wire |
$6.05
|
2 |
|
usually ships 8-13 days |
7 |
202-2866
|
12 inch large 16 Gage red wire |
$6.05
|
2 |
|
usually ships 8-13 days |
8 |
202-2251
|
Yellow wire, 16 gage |
$8.91
|
2 |
|
usually ships 8-13 days |
9 |
202-2252
|
End cap |
$5.50
|
1 |
|
usually ships 8-13 days |
10 |
202-0719
|
Index plunger |
$72.93
|
1 |
|
usually ships 8-13 days |
11 |
202-3312
|
Flanged bearing |
$12.76
|
2 |
|
usually ships 8-13 days |
12 |
202-3427
|
Button cover |
$18.04
|
2 |
|
usually ships 8-13 days |
13 |
202-0869
|
Switch cover |
$22.44
|
2 |
|
usually ships 8-13 days |
14 |
202-0879
|
Push button switch |
$53.24
|
2 |
|
ships same day |
15 |
202-0535
|
Speed control potentiometer |
$93.39
|
1 |
|
usually ships 8-13 days |
16 |
202-9606
|
Multi strand wire |
Call for price
|
1 |
|
usually ships 10-12 days |
17 |
202-2431
|
P clamp |
$5.50
|
1 |
|
usually ships 1-5 days |
18 |
202-2589
|
Nut 10-32 crimp hex |
$5.50
|
4 |
|
usually ships 1-5 days |
19 |
202-2253
|
Nut 1/4-.3/8 x 3/8 long flanged bearing nylon |
$7.04
|
1 |
|
usually ships 8-13 days |
20 |
202-2254
|
Heat shrink |
$7.04
|
4 |
|
usually ships 8-13 days |
21 |
202-1864
|
Toggle switch protective boot (red) |
$13.75
|
1 |
|
usually ships 8-13 days |
22 |
202-2210
|
Washer 3/8 x 3/4 flat nylon |
$5.50
|
2 |
|
usually ships 8-13 days |
23 |
999-0086
|
Nut 10-32 nylon insert lock zinc plated |
$0.99
|
4 |
|
ships same day |
24 |
999-0294
|
Nut 1/4-20 hex nylon lock type NE stainless steel |
$1.18
|
1 |
|
ships same day |
25 |
999-0998
|
Washer #10 flat stainless steel |
$0.99
|
3 |
|
ships same day |
26 |
999-0335
|
Washer 1/4 x 5/8 SAE flat stainless steel |
$0.99
|
2 |
|
ships same day |
27 |
999-0549
|
Washer 5/16 x 3/4 SAE flat stainless steel |
$0.99
|
2 |
|
ships same day |
28 |
999-0150
|
Washer #8 medium split lock |
$0.99
|
4 |
|
ships same day |
29 |
999-0916
|
Screw 8-32 x 1/2 pan head phillips stainless steel |
$0.99
|
4 |
|
ships same day |
30 |
202-2122
|
Screw 10-32 x 5/8 inch phillips pan head |
$5.50
|
4 |
|
usually ships 8-13 days |
31 |
999-1818
|
Screw 10-32 x 2 pan head phillips stainless steel |
$1.80
|
4 |
|
ships same day |
32 |
999-1509
|
Screw 10-32 x 3/8 flat head phillips stainless steel |
$0.99
|
2 |
|
ships same day |
33 |
202-3197
|
Screw 10-32 x 3/8 inch button head socket stainless steel |
$5.50
|
1 |
|
usually ships 8-13 days |
34 |
202-2372
|
Bolt 5/16-18 x 3/4 inch button head socket cap |
$5.50
|
2 |
|
usually ships 1-5 days |
35 |
999-1507
|
Screw 5/16-18 x 1 button head socket stainless steel |
$1.88
|
2 |
|
ships same day |
36 |
999-0605
|
Screw 1/4-20 x 2 carriage head stainless steel |
$5.50
|
2 |
|
ships same day |
37 |
202-3275
|
Rubber bumper |
$5.50
|
4 |
|
usually ships 8-13 days |
38 |
202-3348
|
Rubber grommet |
$4.40
|
2 |
|
usually ships 8-13 days |