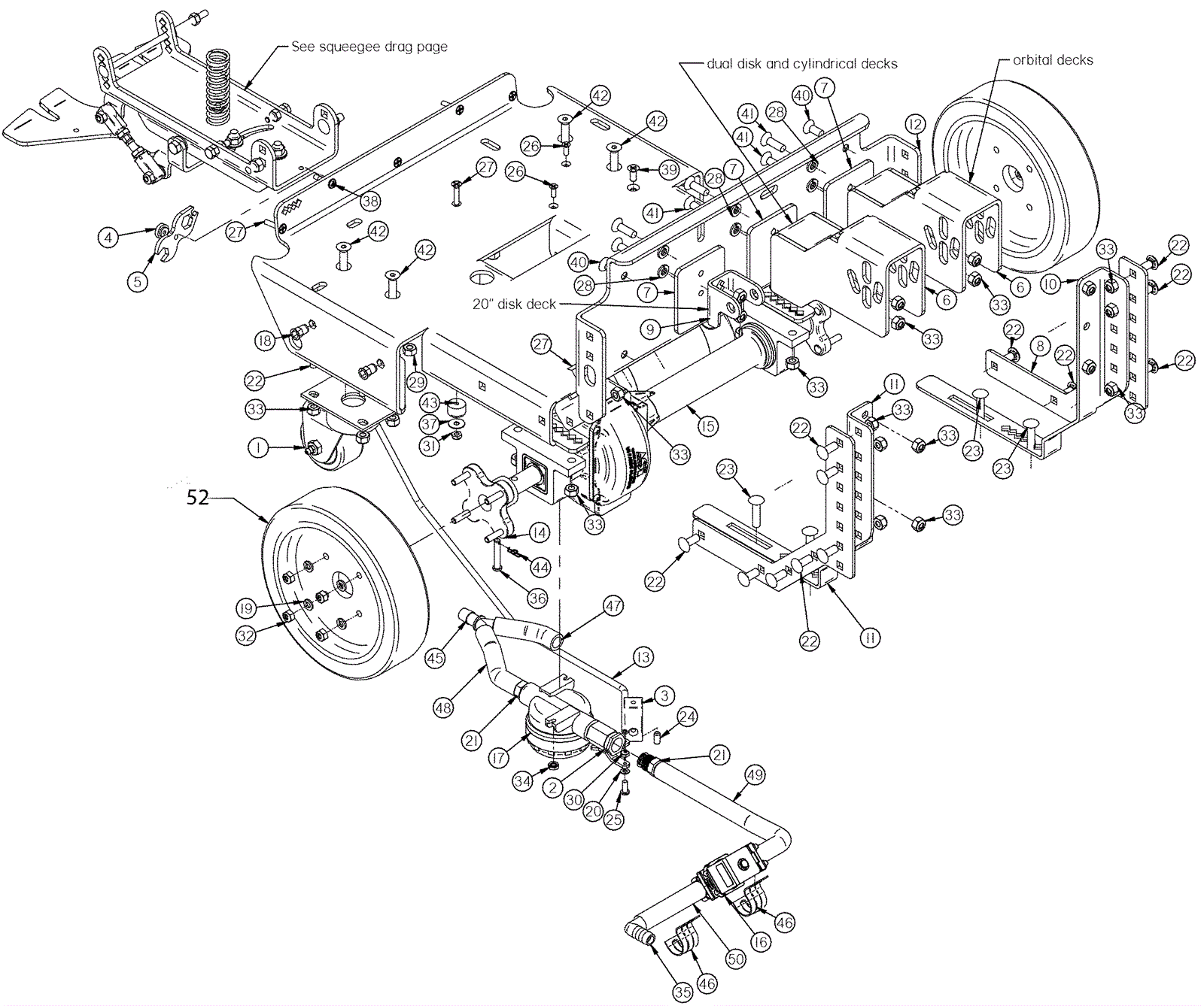
# | Part | Description | Price | Req | Notes | Availability |
1 |
302-0255
|
Caster whee |
$76.23
|
2 |
|
usually ships 1-5 days |
2 |
202-5363
|
3/8 inch ball valve |
$49.06
|
1 |
|
usually ships 8-13 days |
3 |
202-5567
|
Cable guide |
$72.93
|
1 |
|
usually ships 1-5 days |
4 |
202-6417
|
Knob,Yellow |
$5.50
|
1 |
|
usually ships 8-13 days |
5 |
302-0132
|
3 in 1 tool |
$9.13
|
1 |
|
usually ships 8-13 days |
6 |
202-9829
|
Lifting bracket |
$83.60
|
2 |
|
usually ships 8-13 days |
7 |
202-3901
|
Lift bracket spacer |
$13.64
|
3 |
|
usually ships 8-13 days |
8 |
302-0166
|
Frame brace |
$47.30
|
2 |
|
usually ships 8-13 days |
9 |
202-9833
|
Upper actuator bracket |
$22.55
|
1 |
|
usually ships 8-13 days |
10 |
302-0167
|
Left hand 24V frame bracket |
$59.95
|
1 |
|
usually ships 8-13 days |
11 |
302-0168
|
Right hand 24V frame bracket |
$59.95
|
1 |
|
usually ships 8-13 days |
12 |
302-0169
|
Frame base |
$516.34
|
1 |
|
usually ships 8-13 days |
13 |
202-9837
|
Solution valve cable |
$128.59
|
1 |
|
usually ships 8-13 days |
14 |
202-9964
|
Transaxle hub with moutning |
$80.19
|
2 |
|
usually ships 8-13 days |
15 |
202-3902
|
24V transaxle w/ connectors |
$591.14
|
1 |
|
usually ships 8-13 days |
16 |
302-0170
|
24V valve |
$116.49
|
1 |
|
usually ships 8-13 days |
17 |
202-3234
|
Inline filter |
$84.15
|
1 |
|
ships same day |
18 |
202-5284
|
Nut 1/4-20 hex crimp long |
$5.50
|
4 |
|
usually ships 1-5 days |
19 |
999-1049
|
Washer 1/4 split lock zinc plated |
$0.99
|
8 |
|
ships same day |
20 |
999-1215
|
Washer #6 SAE flat zinc plated |
$0.99
|
1 |
|
ships same day |
21 |
202-3236
|
Threaded barb |
$5.50
|
2 |
|
usually ships 8-13 days |
22 |
999-9069
|
Bolt 5/16-18 x 3/4 carriage head |
$0.99
|
20 |
|
usually ships 1-5 days |
23 |
999-1334
|
Bolt 5/16-18 x 1 1/4 carriage head stainless steel |
$1.39
|
4 |
|
usually ships 1-5 days |
24 |
999-1468
|
Screw 1/4-20 x 1/2 knurled point set alloy steel |
$0.99
|
1 |
|
ships same day |
25 |
999-0447
|
Screw 6-32 x 1/2 pan head phillips zinc plated |
$0.99
|
1 |
|
ships same day |
26 |
202-9285
|
Screw,PFHM,#10-32x1/2 inch Zinc |
$5.50
|
2 |
|
usually ships 8-13 days |
27 |
999-9235
|
Screw #10-32 x 1 flat head phillips zinc plated |
$0.99
|
11 |
|
usually ships 16-20 days |
28 |
999-0553
|
Washer 5/16 medium split lock stainless steel |
$0.99
|
6 |
|
ships same day |
29 |
999-0069
|
Nut 5/16-18 hex |
$0.99
|
8 |
|
ships same day |
30 |
999-6688
|
Nut 6-32 hex nylon insert lock stainless steel |
$0.99
|
1 |
|
usually ships 16-20 days |
31 |
999-0086
|
Nut 10-32 nylon insert lock zinc plated |
$0.99
|
1 |
|
ships same day |
32 |
999-0294
|
Nut 1/4-20 hex nylon lock type NE stainless steel |
$1.18
|
12 |
|
ships same day |
33 |
999-0211
|
Nut 5/16-18 hex nylon insert lock zinc plated |
$0.99
|
39 |
|
ships same day |
34 |
202-2067
|
Nut 10-32 keps |
$5.50
|
2 |
|
usually ships 8-13 days |
35 |
202-4070
|
90 degree barbed elbow |
$4.40
|
1 |
|
usually ships 1-5 days |
36 |
202-9966
|
Clevis pin |
Call for price
|
2 |
|
usually ships 8-13 days |
37 |
202-3316
|
Washer flat stainless steel |
$5.50
|
1 |
|
usually ships 8-13 days |
38 |
999-1044
|
Screw 10-32 x 3/4 pan head phillips stainless steel |
$0.99
|
1 |
|
ships same day |
39 |
999-0990
|
Screw 1/4-20 x 5/8 flat head phillips stainless steel |
$0.99
|
1 |
|
ships same day |
40 |
999-1258
|
Screw 5/16-18 x 3/4 flat head phillips stainless steel |
$1.51
|
4 |
|
ships same day |
41 |
999-9243
|
Screw 5/16-18 x 1 flat head socket cap (3/16 hex drive) |
$2.73
|
6 |
|
usually ships 16-20 days |
42 |
202-9839
|
Screw 5/16-18 x 4 1/4 flat head socket cap screw zinc |
Call for price
|
4 |
|
usually ships 8-13 days |
43 |
202-3275
|
Rubber bumper |
$5.50
|
2 |
|
usually ships 8-13 days |
44 |
202-0585
|
Cotter ring |
$5.50
|
2 |
|
usually ships 8-13 days |
45 |
202-3239
|
Tee |
$11.22
|
1 |
|
usually ships 8-13 days |
46 |
202-9642
|
3/4 inch clamp zinc |
$5.50
|
2 |
|
usually ships 8-13 days |
47 |
202-9840
|
1/2 inch ID x 5 foot clear hose |
$39.71
|
1 |
|
usually ships 8-13 days |
48 |
202-9840
|
1/2 inch ID x 5 foot clear hose |
$39.71
|
1 |
|
usually ships 8-13 days |
49 |
202-9840
|
1/2 inch ID x 5 foot clear hose |
$39.71
|
1 |
|
usually ships 8-13 days |
50 |
202-9840
|
1/2 inch ID x 5 foot clear hose |
$39.71
|
1 |
|
usually ships 8-13 days |
51a |
202-9827
|
8 inch poly tire (grey) |
$106.15
|
2 |
|
usually ships 8-13 days |
51b |
302-0171
|
Wheel solid (black) |
$95.04
|
2 |
|
usually ships 8-13 days |