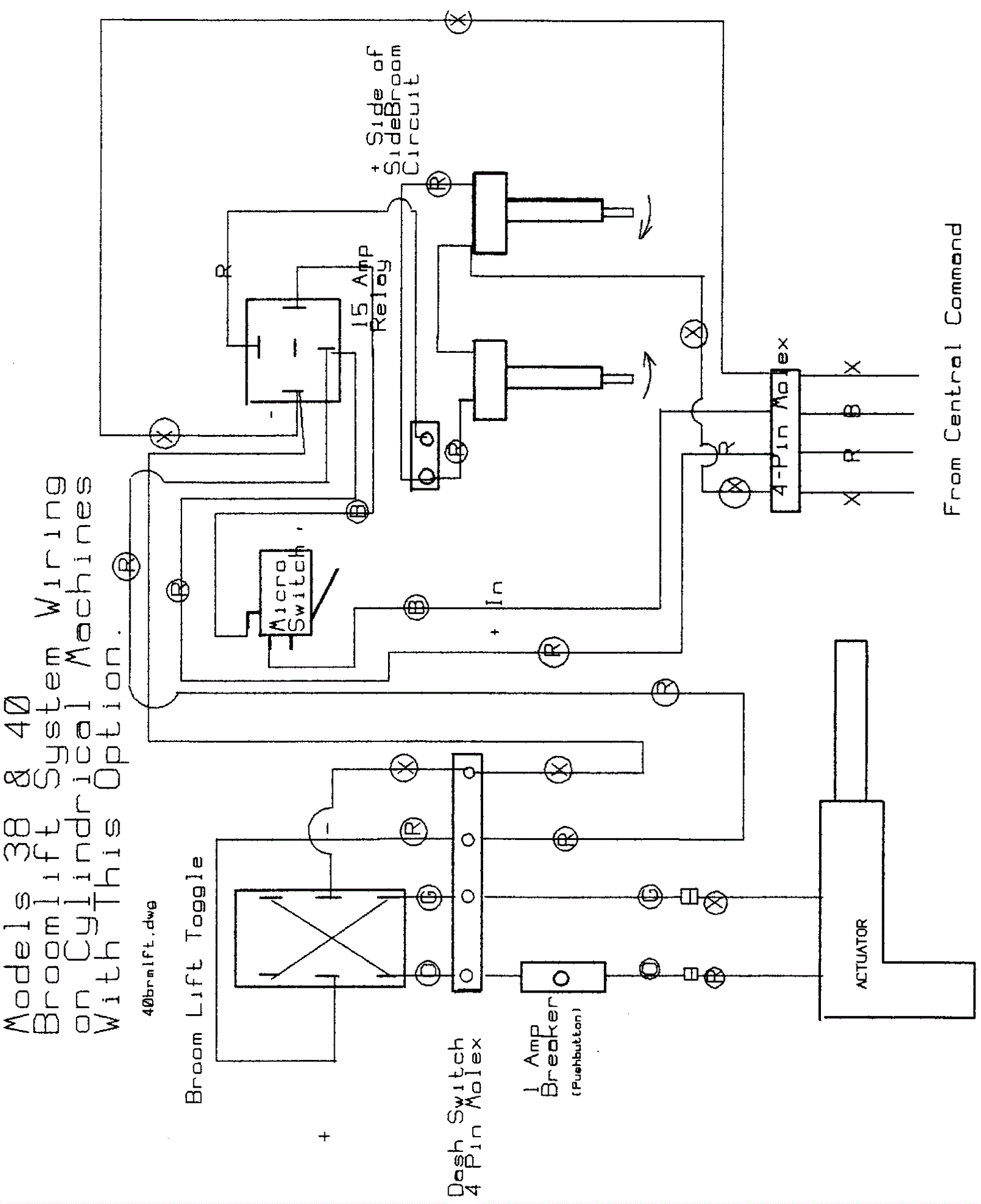
Wiring Diagram-11
Click to enlarge