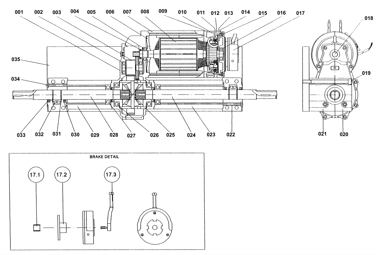
Transaxle Assembly
Click to enlarge