| # | Part | Description | Price | Req | Notes | Availability |
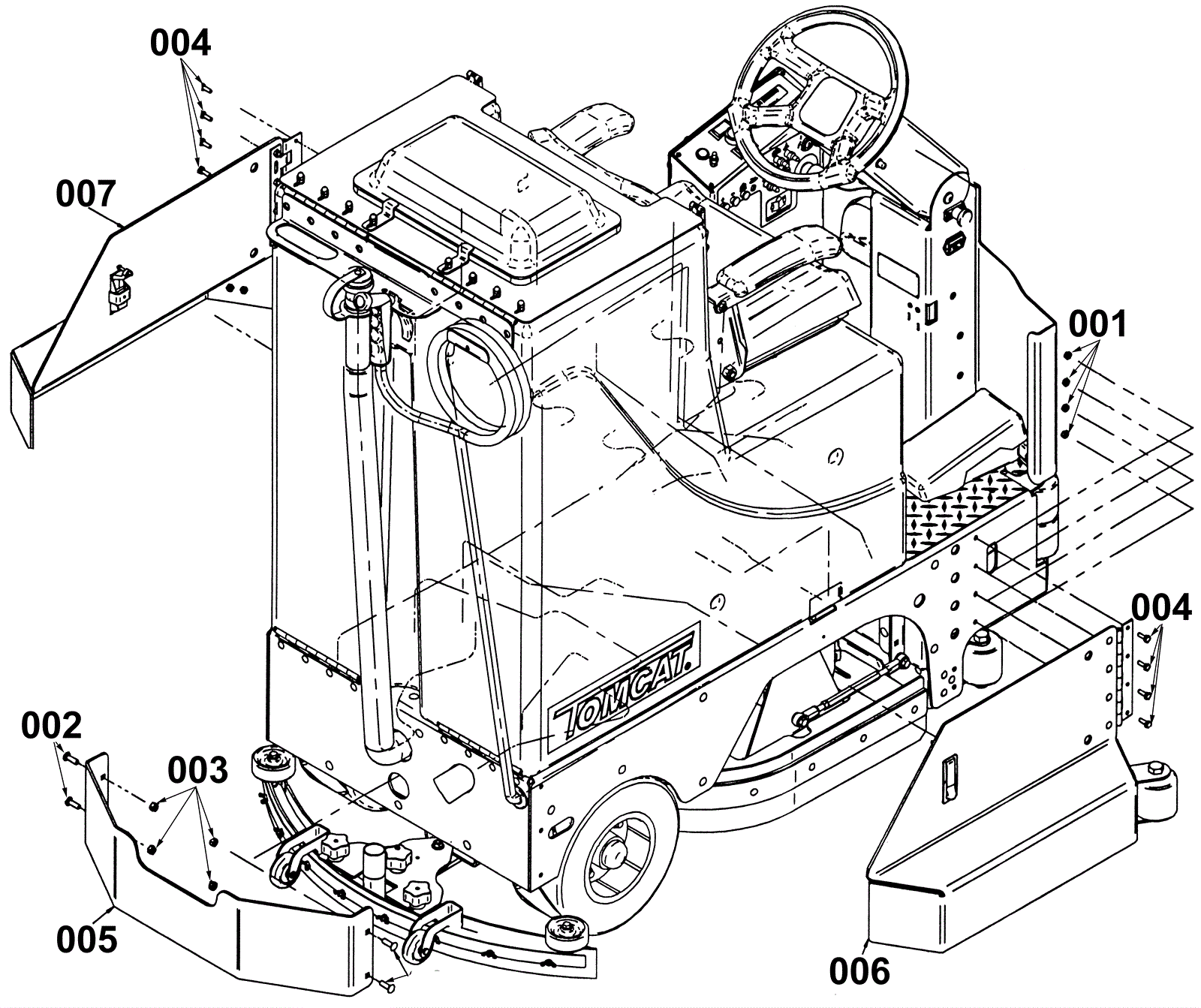
001 |
999-0294
|
Nut 1/4-20 hex nylon lock type NE stainless steel |
$1.18
|
8 |
|
ships same day |
002 |
999-9066
|
Bolt 5/16-18 x 1 carriage head stainless steel |
$1.34
|
4 |
|
ships same day |
003 |
999-0423
|
Nut 5/16-18 nylon insert lock stainless steel |
$0.99
|
4 |
|
ships same day |
004 |
999-0334
|
Bolt 1/4-20 x 3/4 inch hex head stainless steel |
$3.85
|
8 |
|
usually ships 16-20 days |
005 |
202-2008
|
Rear bumper |
$92.18
|
1 |
|
usually ships 8-13 days |
006 |
202-2006
|
Right door |
$255.97
|
1 |
|
usually ships 1-5 days |
007 |
202-2007
|
Left door |
$255.97
|
1 |
|
usually ships 1-5 days |