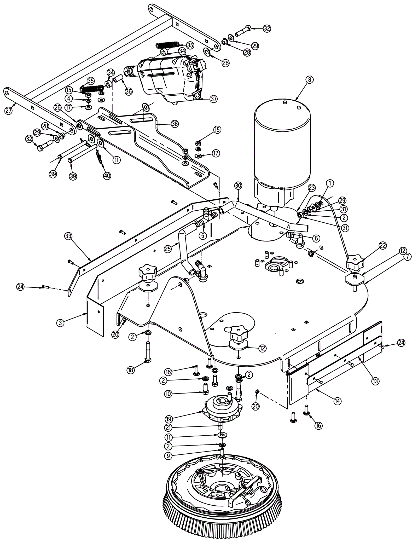
| # | Part | Description | Price | Req | Notes | Availability |
1 |
202-1239
|
Flanged bearing |
$5.50
|
4 |
|
usually ships 8-13 days |
2 |
999-0659
|
Washer 3/8 medium split lock stainless steel |
$0.39
|
16 |
|
ships same day |
3 |
202-1943
|
26 and 30 inch front curtain |
$15.73
|
1 |
|
ships same day |
4 |
999-0553
|
Washer 5/16 medium split lock stainless steel |
$0.99
|
4 |
|
ships same day |
5a |
202-0332
|
1/2 inch barbed tee |
$5.50
|
1 |
(before 2007 version 2) |
ships same day |
5b |
202-0099
|
Tee barb |
$5.50
|
1 |
(from 2007 version 2) |
usually ships 1-5 days |
6a |
202-0333
|
Elbow barb |
$5.50
|
2 |
(before 2007 version 2) |
ships same day |
6b |
202-0335
|
Barbed elbow |
$6.27
|
2 |
(from 2007 version 2) |
usually ships 8-13 days |
7 |
202-1944
|
26 and 30 inch scrub deck |
$525.36
|
1 |
|
usually ships 1-5 days |
8a |
991-2122
|
36V .75HP brush motor assembly with gear box |
$1,099.40
|
2 |
(you will also need to order 999-0130) |
ships same day |
8b |
202-1945
|
36V Brush gear motor assembly |
$801.46
|
2 |
|
ships same day |
9 |
999-0424
|
Bolt 5/16-18 x 1 hex head stainless steel |
$0.99
|
2 |
|
ships same day |
10 |
999-0562
|
Bolt 3/8-16 x 1 hex head stainless steel |
$1.50
|
8 |
|
ships same day |
11 |
999-0617
|
Washer 3/8 x 1 flat stainless steel |
$1.82
|
6 |
|
ships same day |
12 |
202-1946
|
Adjustment knob plate |
$28.38
|
4 |
|
usually ships 8-13 days |
13 |
202-1947
|
26 and 30 inch rear curtain band |
$20.46
|
1 |
|
usually ships 1-5 days |
14 |
202-1948
|
34 inch rear curtain band |
$14.63
|
1 |
|
ships same day |
15 |
999-0593
|
Nut 5/16-18 hex stainless steel |
$0.99
|
4 |
|
ships same day |
16 |
999-9066
|
Bolt 5/16-18 x 1 carriage head stainless steel |
$1.34
|
4 |
|
ships same day |
17 |
999-0964
|
Washer 5/16 x 3/4 flat stainless steel |
$0.99
|
4 |
|
ships same day |
18 |
999-0994
|
Screw 3/8-24 x 2 1/4 hex head stainless steel |
$5.15
|
4 |
|
ships same day |
19 |
202-0330
|
Metal brush driver |
$153.89
|
2 |
|
ships same day |
20 |
999-0086
|
Nut 10-32 nylon insert lock zinc plated |
$0.99
|
8 |
|
ships same day |
21 |
202-0331
|
Brush driver key (pkg of 2) |
$10.34
|
2 |
|
ships same day |
22 |
202-0809
|
Brass star knob |
$42.79
|
4 |
|
ships same day |
23 |
202-3448
|
Brush motor cap |
$10.78
|
2 |
|
usually ships 8-13 days |
24 |
999-1508
|
Bolt 10-32 x 5/8 round carriage head stainless steel |
$0.99
|
8 |
|
usually ships 1-5 days |
25 |
202-3031
|
Vacuum hose (tank) |
$43.23
|
1 |
|
ships same day |
26 |
202-1181
|
Washer 1/2 flat bronze |
$5.50
|
2 |
|
usually ships 8-13 days |
27 |
202-1971
|
Lateral arm |
$179.85
|
1 |
|
usually ships 8-13 days |
28 |
202-0754
|
Flanged bearing |
$5.50
|
2 |
|
usually ships 8-13 days |
29 |
999-0617
|
Washer 3/8 x 1 flat stainless steel |
$1.82
|
4 |
|
ships same day |
30 |
202-2976
|
Hose 3/4 x 16 inch |
$9.64
|
1 |
|
usually ships 8-13 days |
31 |
999-0635
|
Nut 3/8-16 hex stainless steel |
$0.99
|
4 |
|
ships same day |
32 |
999-1006
|
Screw 3/8-16 x 1 3/4 hex head stainless steel |
$2.31
|
2 |
|
ships same day |
33a |
202-2259
|
26 inch front curtain band |
$55.11
|
1 |
(for 26 inch deck) |
usually ships 1-5 days |
33b |
202-2260
|
30 inch front curtain band |
$36.41
|
1 |
(for 30 inch deck) |
usually ships 1-5 days |
34 |
202-3222
|
Shaft collar with set screw |
$7.81
|
2 |
|
usually ships 8-13 days |
35 |
202-2208
|
Compression spring |
$6.71
|
2 |
|
usually ships 8-13 days |
36 |
202-1951
|
Sleeve |
$5.50
|
1 |
|
usually ships 8-13 days |
37 |
202-1950
|
36V actuator |
$488.07
|
1 |
|
ships same day |
38 |
202-1942
|
Bracket |
$115.50
|
1 |
|
usually ships 8-13 days |
39 |
202-1968
|
Clevis pin |
$7.37
|
2 |
|
usually ships 8-13 days |
40 |
202-2036
|
Cotter pin |
$5.50
|
2 |
|
usually ships 8-13 days |