| # | Part | Description | Price | Req | Notes | Availability |
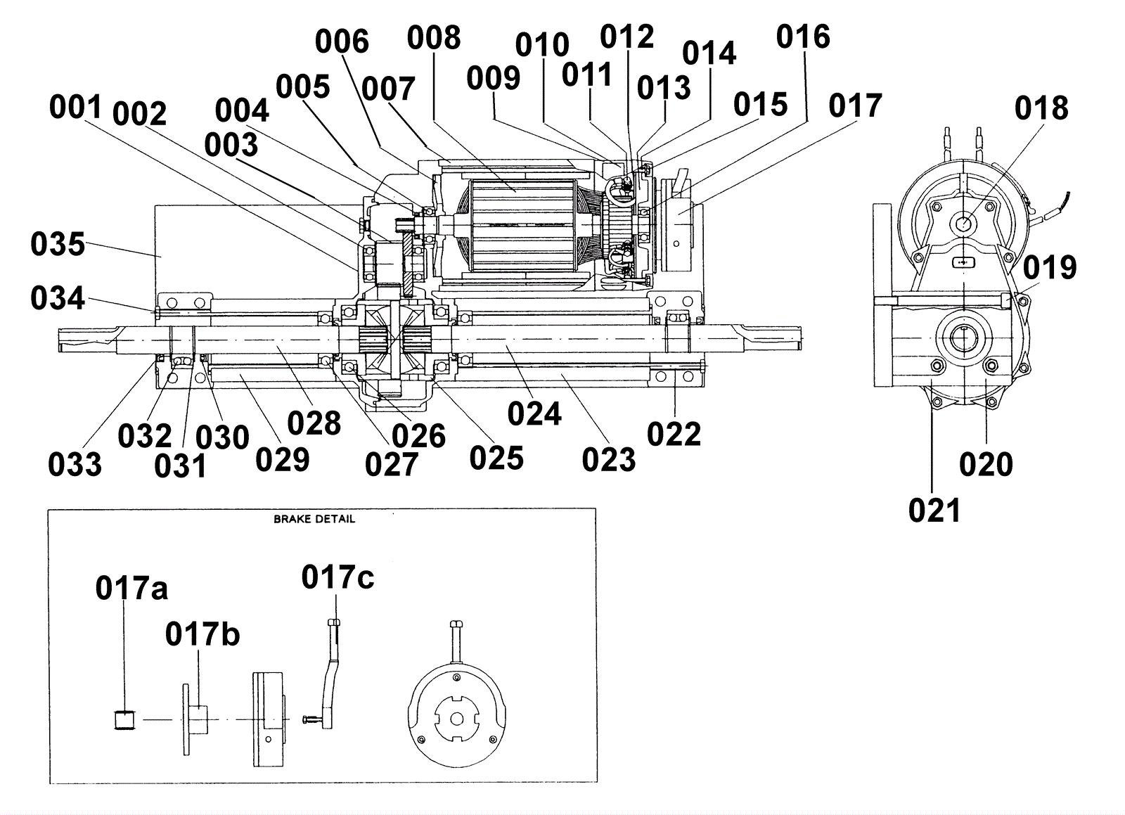
001 |
202-0053
|
Gear housing |
$91.41
|
1 |
|
usually ships 1-5 days |
002 |
202-0054
|
Gear reducer bearing |
$30.69
|
2 |
|
usually ships 1-5 days |
003 |
202-0055
|
Reduction gearset complete 2 gears |
$207.13
|
1 |
|
usually ships 8-13 days |
004 |
202-0056
|
Motor seal (OBSOLETE) |
$11.88
|
1 |
|
usually ships 1-5 days |
005 |
202-0058
|
Motor shaft bearing output side |
$29.37
|
1 |
|
usually ships 1-5 days |
006 |
202-0059
|
Motor fan |
$16.06
|
1 |
|
usually ships 1-5 days |
007 |
202-0060
|
Motor housing (OBSOLETE) |
$463.54
|
1 |
|
usually ships 1-5 days |
008 |
202-0057
|
Armature assembly (OBSOLETE) |
$794.20
|
1 |
|
usually ships 8-13 days |
009 |
202-0062
|
Brush cover and hook |
$27.28
|
1 |
|
usually ships 1-5 days |
010 |
202-0064
|
Safety hook holds on brush cover |
$5.50
|
1 |
|
usually ships 1-5 days |
011 |
202-0065
|
Motor brush (OBSOLETE) |
$22.99
|
4 |
|
usually ships 8-13 days |
012 |
202-0066
|
Motor brush housing complete with 4 brushes |
$79.86
|
1 |
|
usually ships 1-5 days |
013 |
202-0067
|
Motor end cap |
$357.39
|
1 |
|
usually ships 1-5 days |
014 |
202-1033
|
Motor Thru Bolts (Set of 4) |
$27.28
|
1 |
|
usually ships 1-5 days |
015 |
202-1034
|
Axle thru bolt nut (set of 4) |
$5.50
|
1 |
|
usually ships 1-5 days |
016 |
202-0068
|
Motor shaft bearing brake side |
$30.69
|
1 |
|
usually ships 1-5 days |
017 |
202-0069
|
Parking brake unit (OBSOLETE) |
$535.96
|
1 |
|
usually ships 1-5 days |
017a |
202-0070
|
Disk drive spline |
$52.53
|
1 |
|
usually ships 1-5 days |
017b |
202-0071
|
Brake disk (OBSOLETE) |
$52.25
|
1 |
|
usually ships 8-13 days |
017c |
202-1035
|
Manual Release U Bracket and Bolt |
$139.48
|
1 |
|
usually ships 1-5 days |
018 |
202-0073
|
Oil sight gauge |
$19.47
|
1 |
|
usually ships 1-5 days |
019 |
202-1036
|
Thrubolt: Axle to Heavy Steel Back Plate |
$7.37
|
8 |
|
usually ships 1-5 days |
020 |
202-0075
|
Outer bearing housing half upper |
$73.48
|
2 |
|
usually ships 1-5 days |
021 |
202-0076
|
Outer bearing housing half lower |
$59.95
|
2 |
|
usually ships 1-5 days |
022 |
202-1037
|
Axle thru bolt lefthand |
$10.12
|
4 |
|
usually ships 1-5 days |
023 |
202-0074
|
Lefthand axle housing tube |
$108.46
|
1 |
|
usually ships 1-5 days |
024 |
202-0072
|
Axle shaft lefthand long side |
$80.85
|
1 |
|
usually ships 1-5 days |
025 |
202-0042
|
Complete differential assembly |
$812.57
|
1 |
|
usually ships 1-5 days |
026 |
202-0043
|
Differential bearing |
$61.49
|
2 |
|
usually ships 1-5 days |
027 |
202-0044
|
Bearing single race ball inside |
$47.63
|
2 |
|
usually ships 1-5 days |
028 |
202-0045
|
Axle shaft righthand short side |
$76.45
|
1 |
|
usually ships 1-5 days |
029 |
202-0046
|
Righthand axle housing tube short side |
$86.79
|
1 |
|
usually ships 1-5 days |
030 |
202-0047
|
Bracket seal (OBSOLETE) |
$8.91
|
4 |
|
usually ships 1-5 days |
031 |
202-0048
|
Shaft stop ring set of 4 |
$14.30
|
1 |
|
usually ships 1-5 days |
032 |
202-0049
|
Bearing double race ball outside |
$54.34
|
2 |
|
usually ships 1-5 days |
033 |
202-0047
|
Bracket seal (OBSOLETE) |
$8.91
|
2 |
|
usually ships 1-5 days |
034 |
202-1032
|
Axle thru bolt righthand (short side) |
$9.35
|
4 |
|
usually ships 1-5 days |
035 |
202-0051
|
Heavy steel back plate |
$428.23
|
1 |
|
usually ships 1-5 days |
N/S |
202-0052
|
90 weight gearlube |
$7.48
|
2 |
|
usually ships 1-5 days |
N/S |
202-0057
|
Armature assembly (OBSOLETE) |
$794.20
|
1 |
|
usually ships 8-13 days |
N/S |
202-0062
|
Brush cover and hook |
$27.28
|
1 |
|
usually ships 1-5 days |