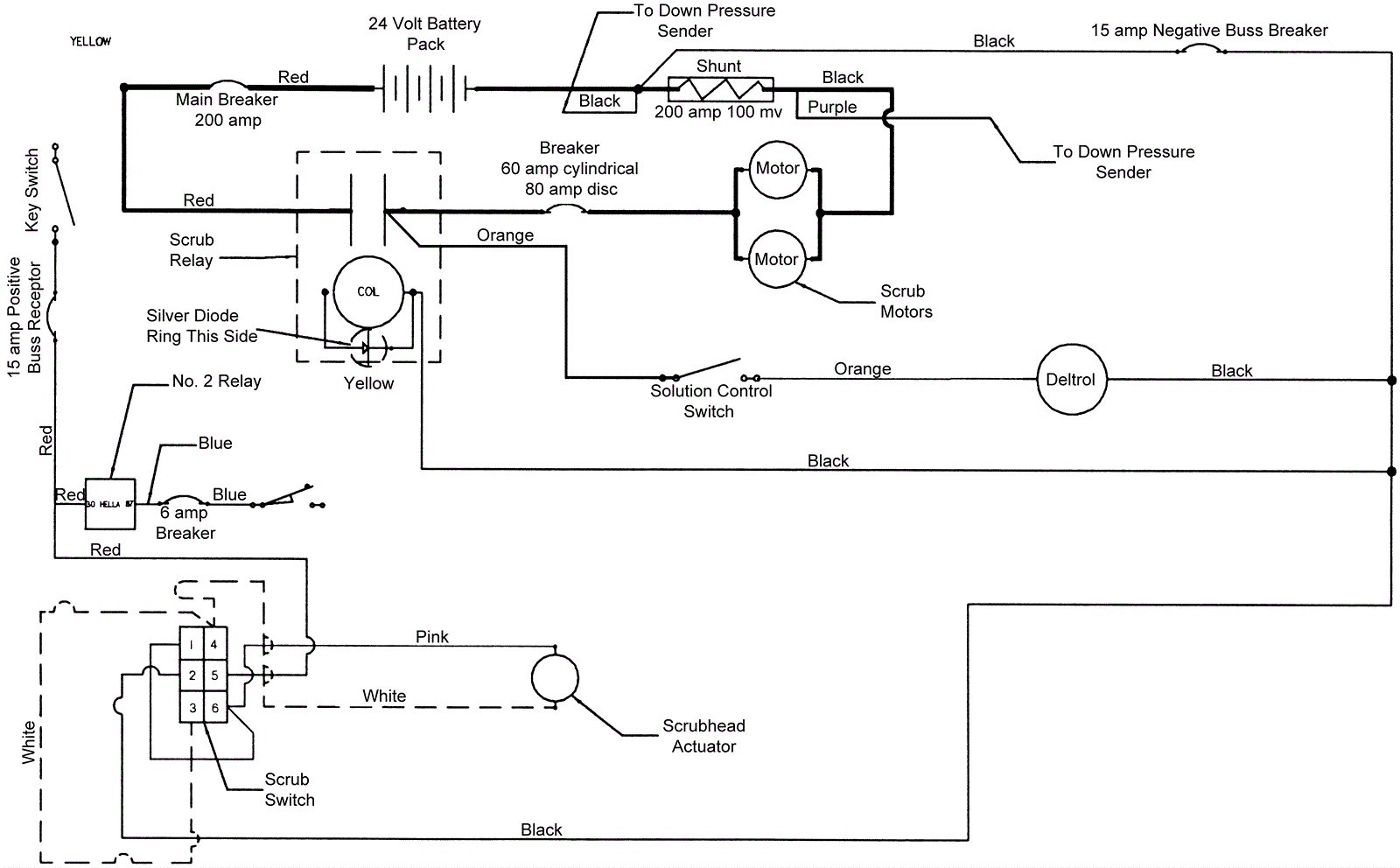
Electrical Diagram Scrub and Solution Control System
Click to enlarge