X-510
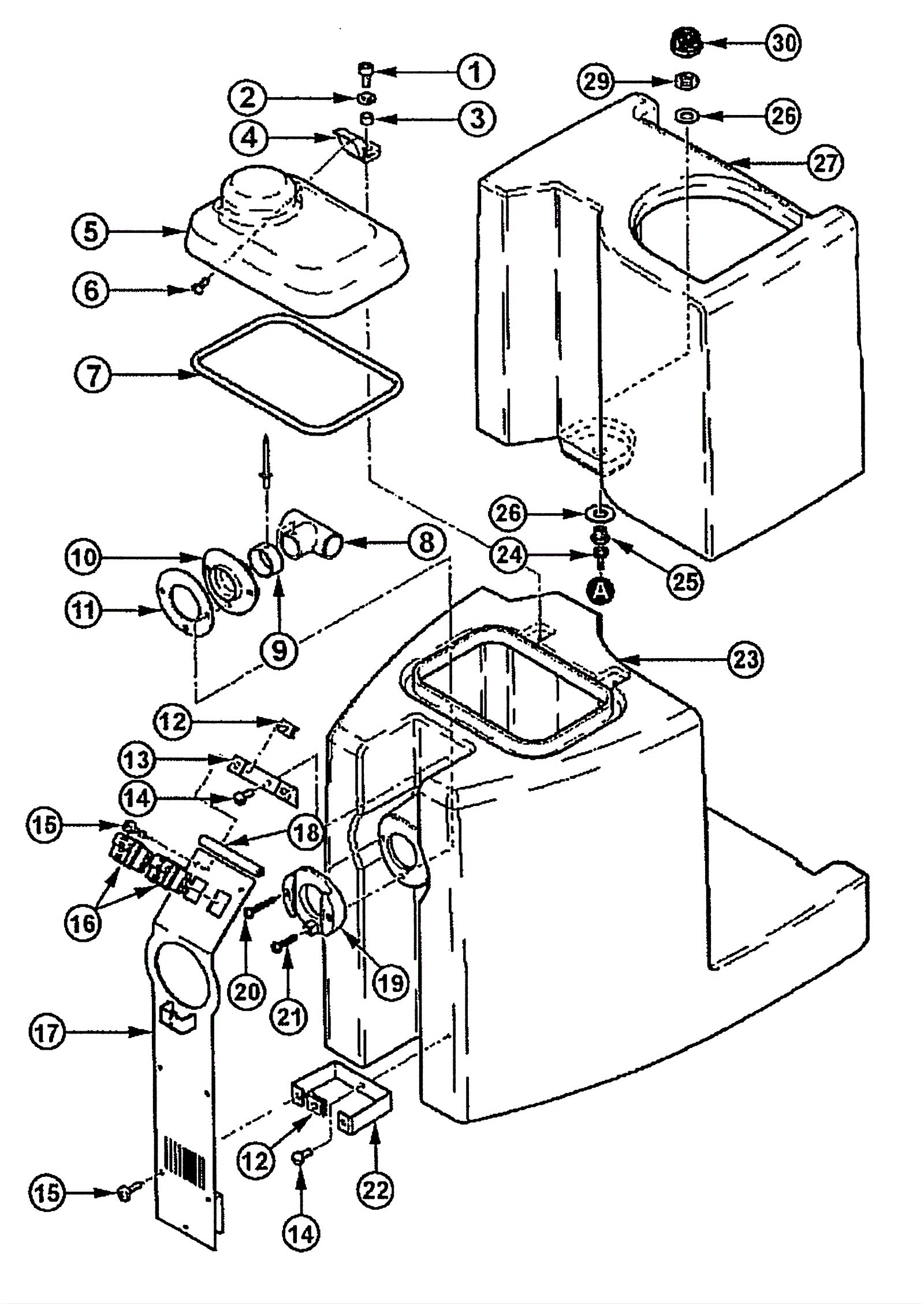
Recovery Tank Assembly
Click to enlarge
#
Part
Description
Price
Req
Notes
Availability
5
295-3075
Dome
$199.10
1
usually ships 10-11 days
7
261-0021
Seal kit
$44.53
1
usually ships 1-5 days