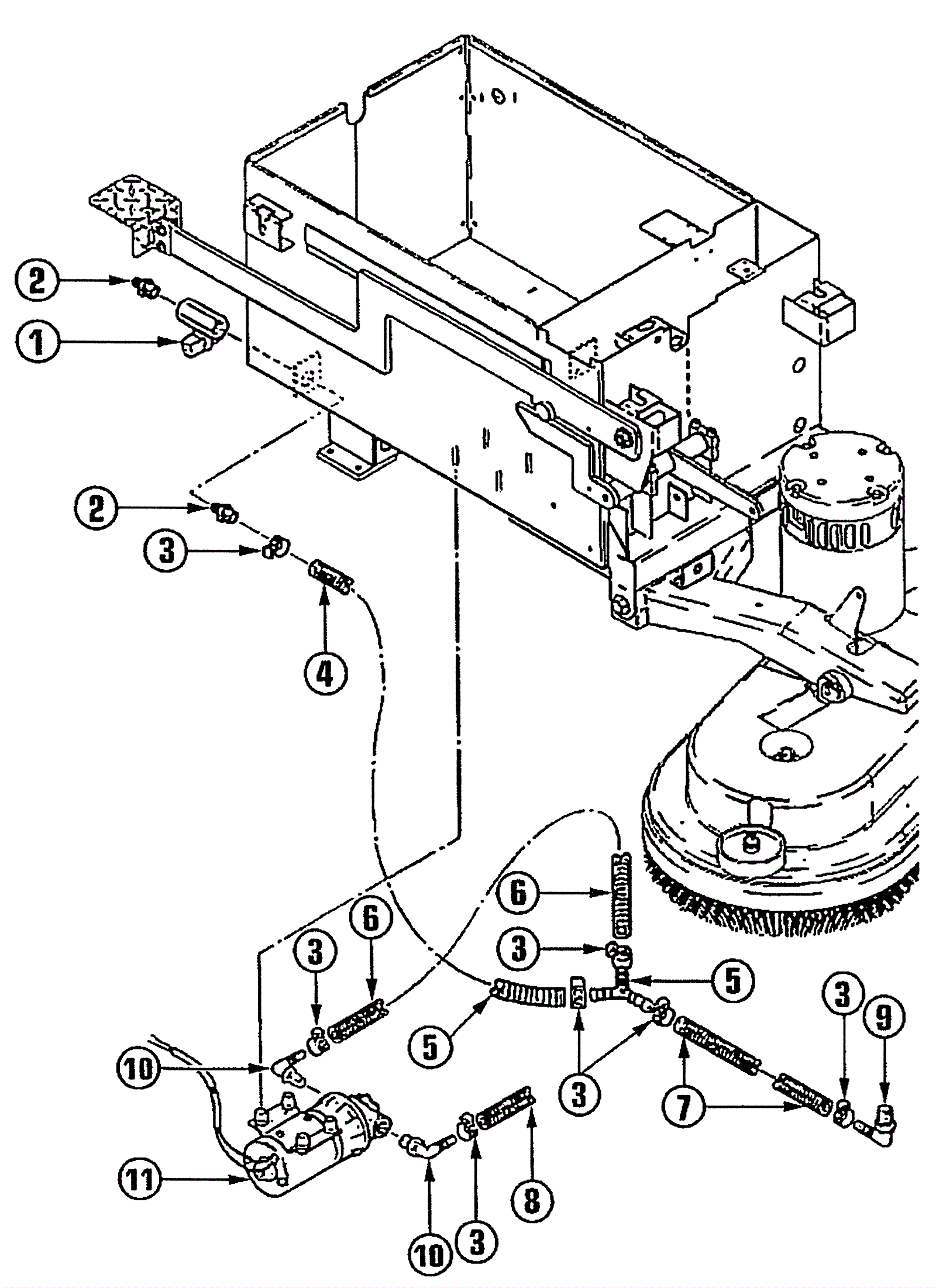
Pump Assembly
Click to enlarge