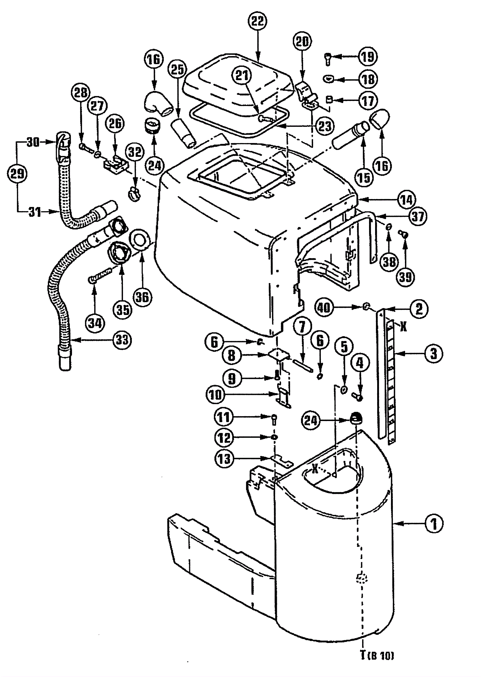
Solution and Recovery Tank Assembly
Click to enlarge