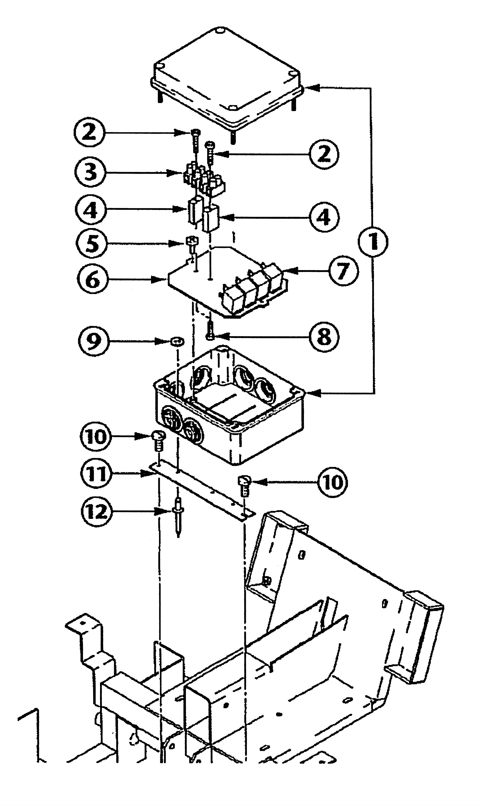
Electric Box Assembly
Click to enlarge