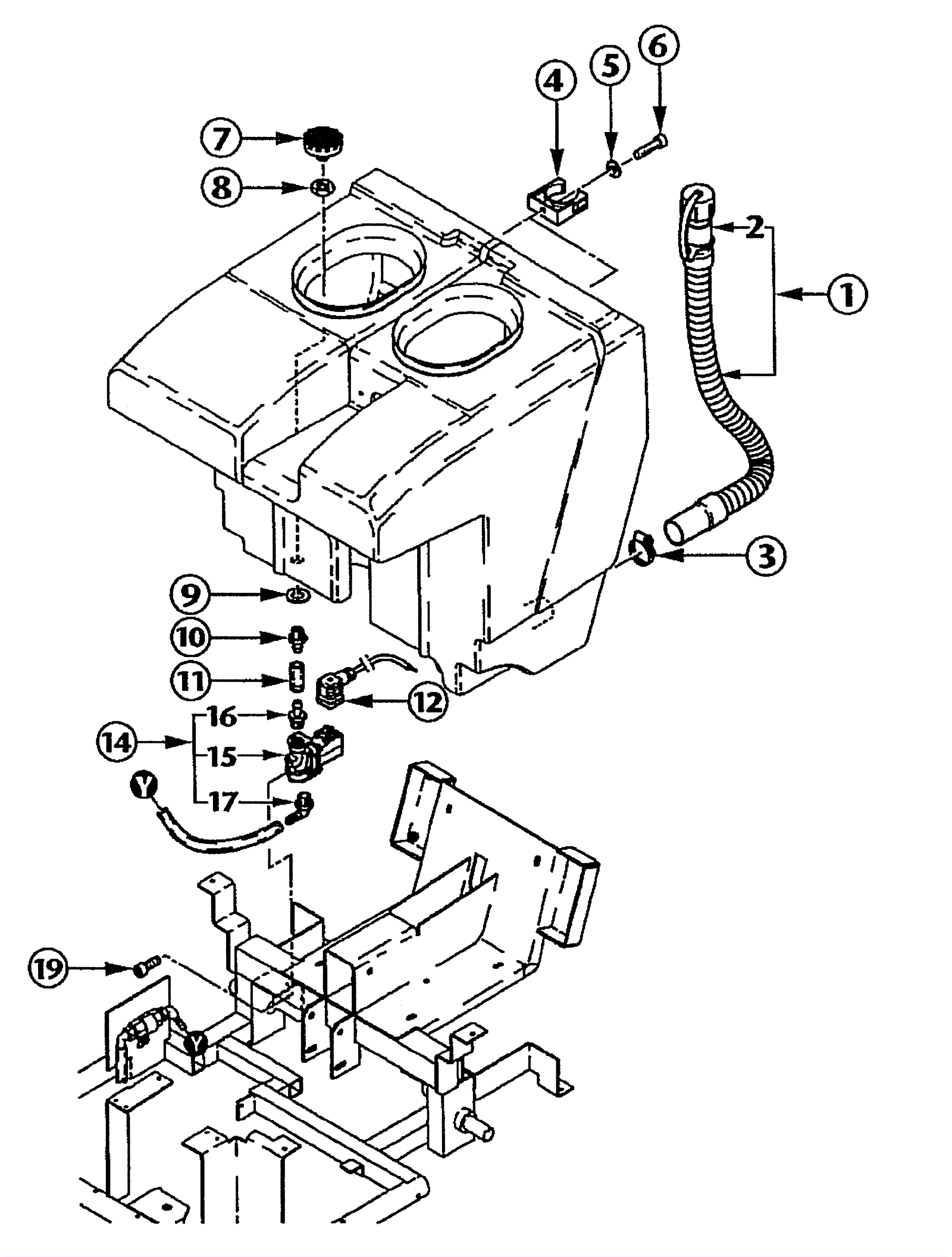
Recovery and Drain Hose Assembly
Click to enlarge