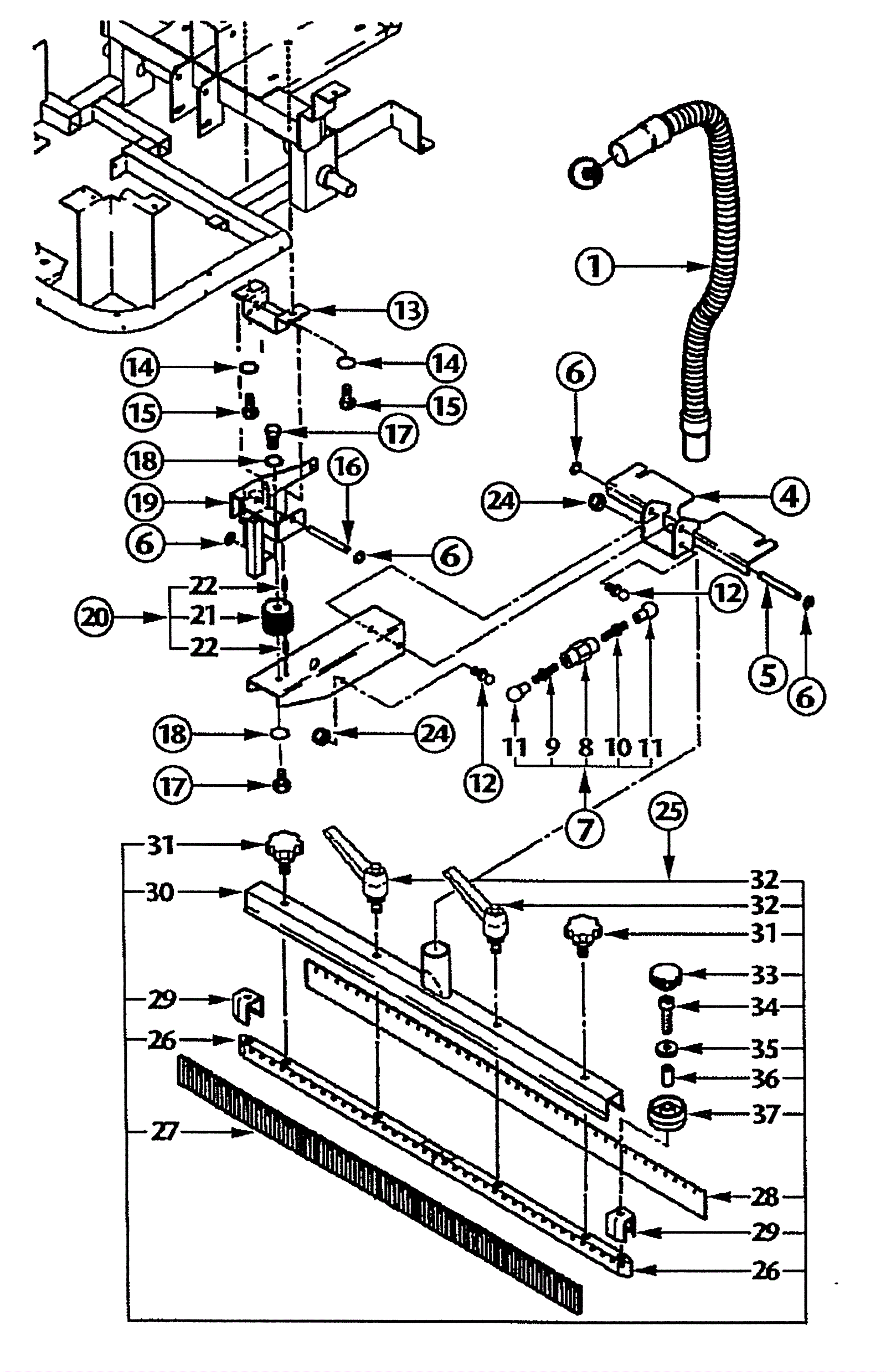
Squeegee Assembly
Click to enlarge
#
Part
Description
Price
Req
Notes
Availability
25
295-0193
Squeegee nozzle assembly
$1,141.80
1
(Includes items 26-37)
usually ships 1-5 days