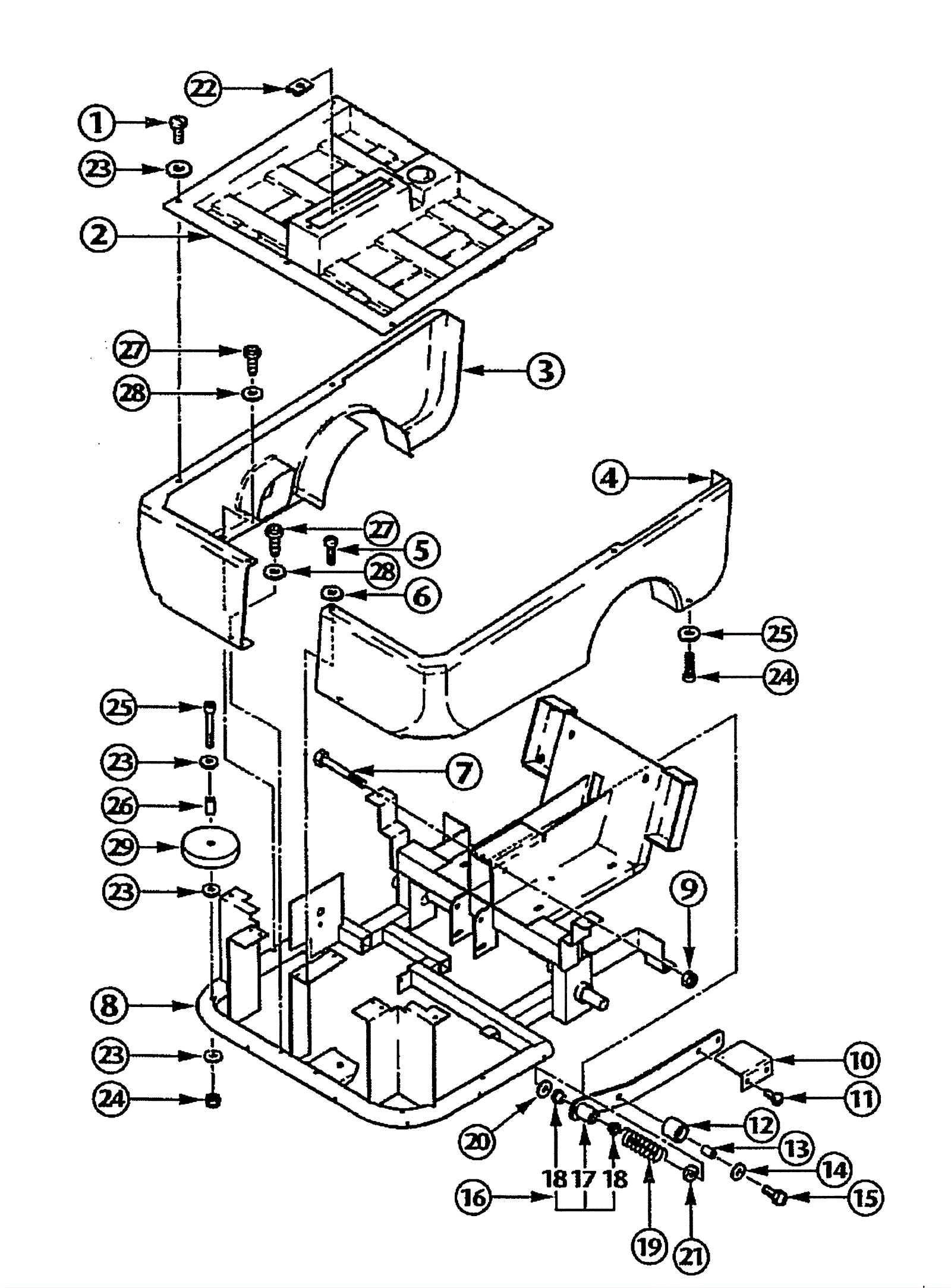
Chassis Assembly