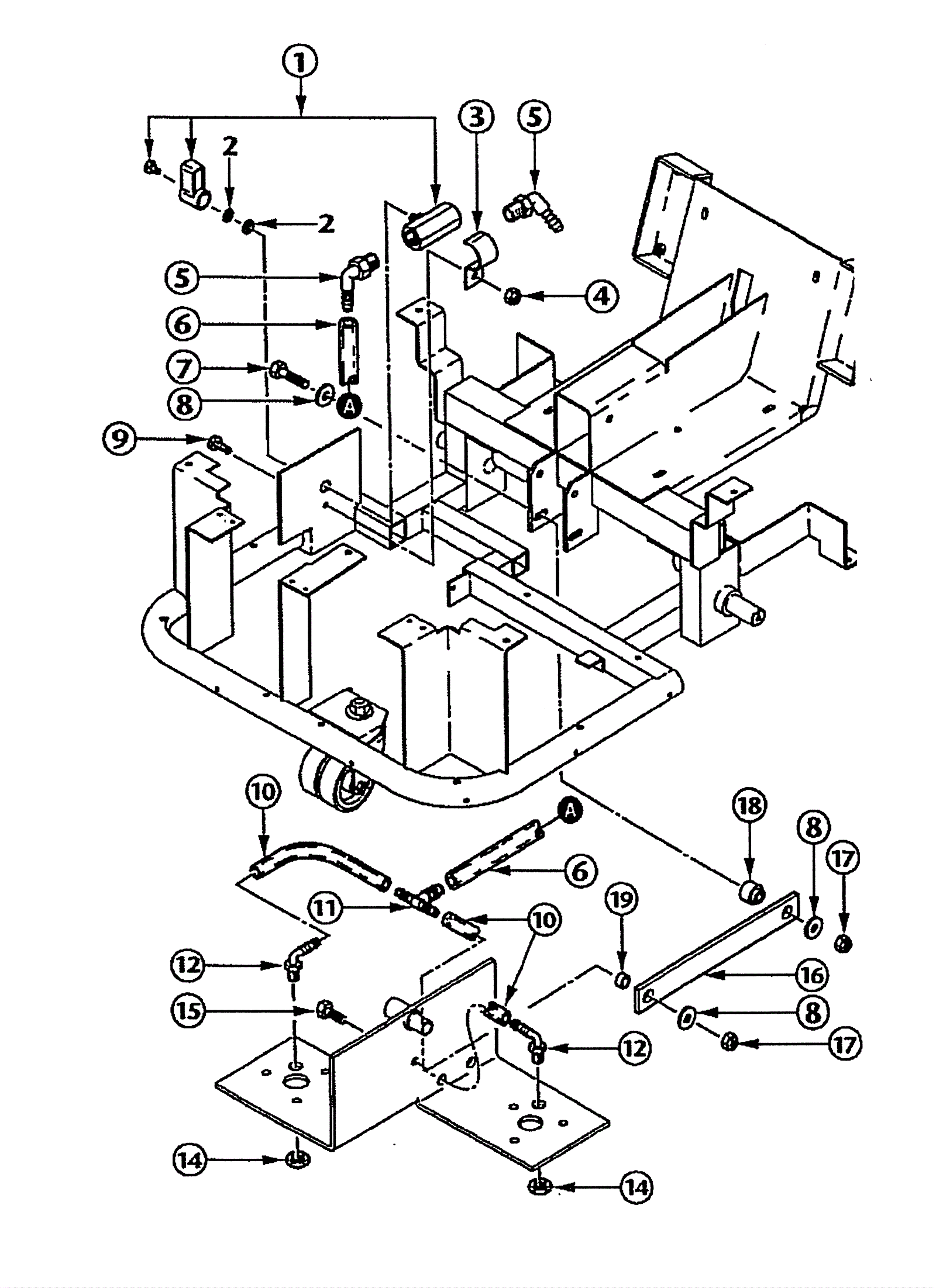
Solution Hose Assembly
Click to enlarge