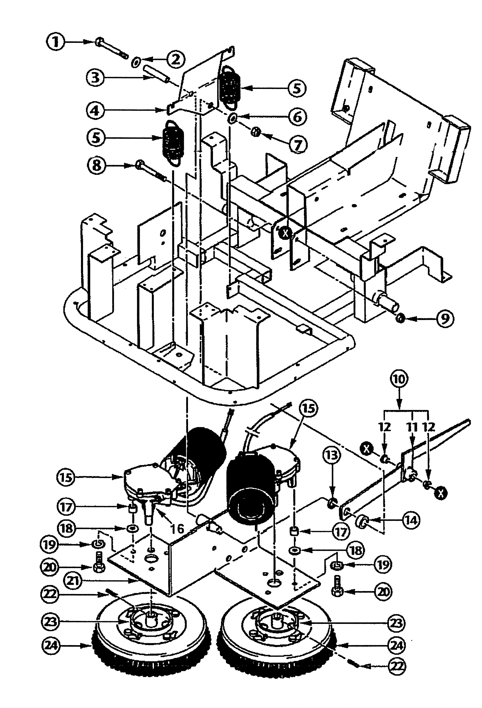
Brush Motor Assembly
Click to enlarge