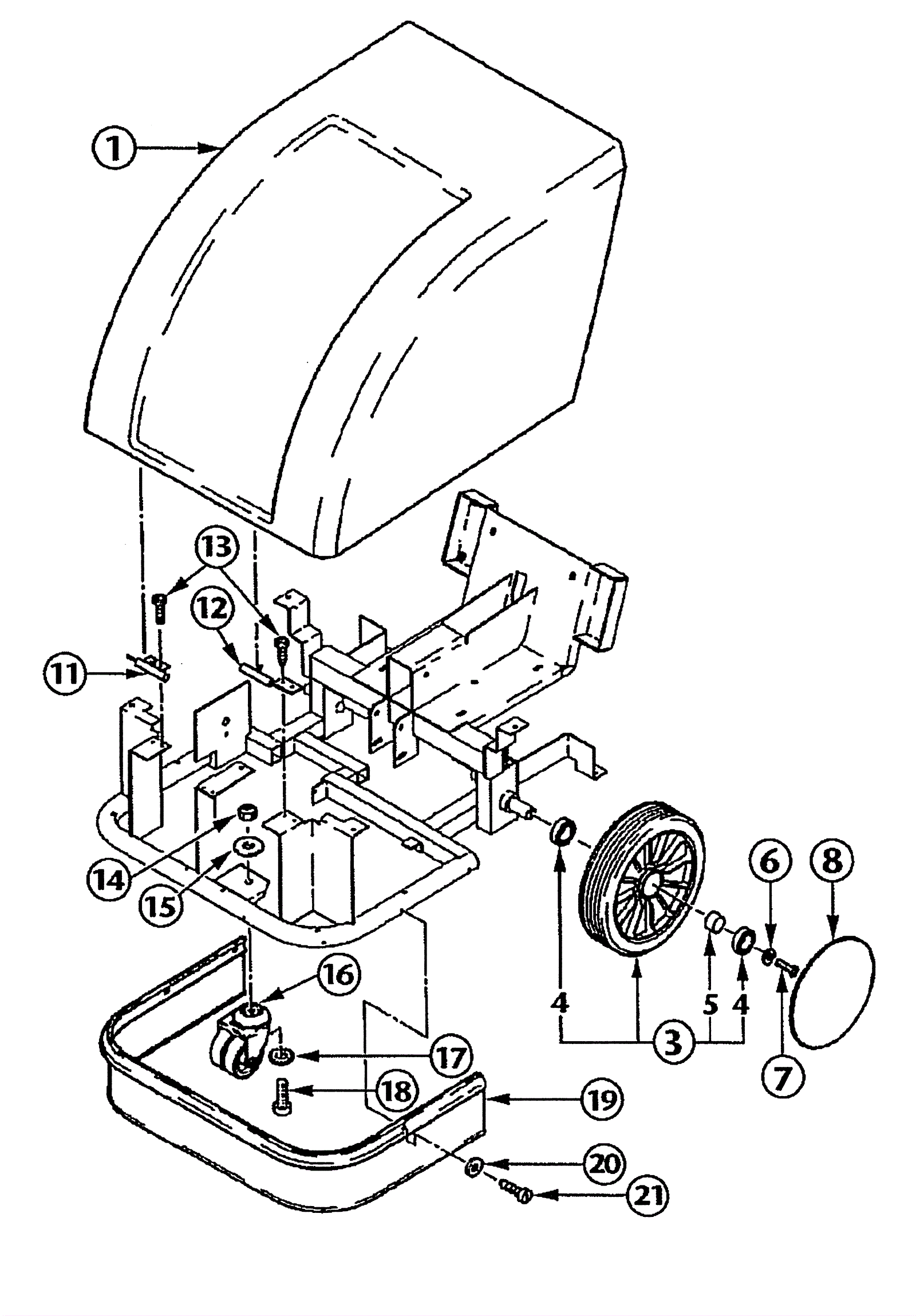
Cover Assembly
Click to enlarge