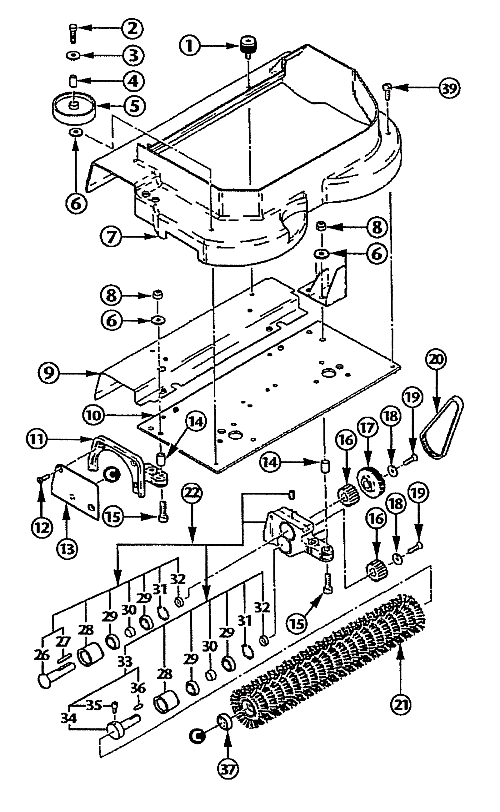
Cylindrical Brush Assembly
Click to enlarge