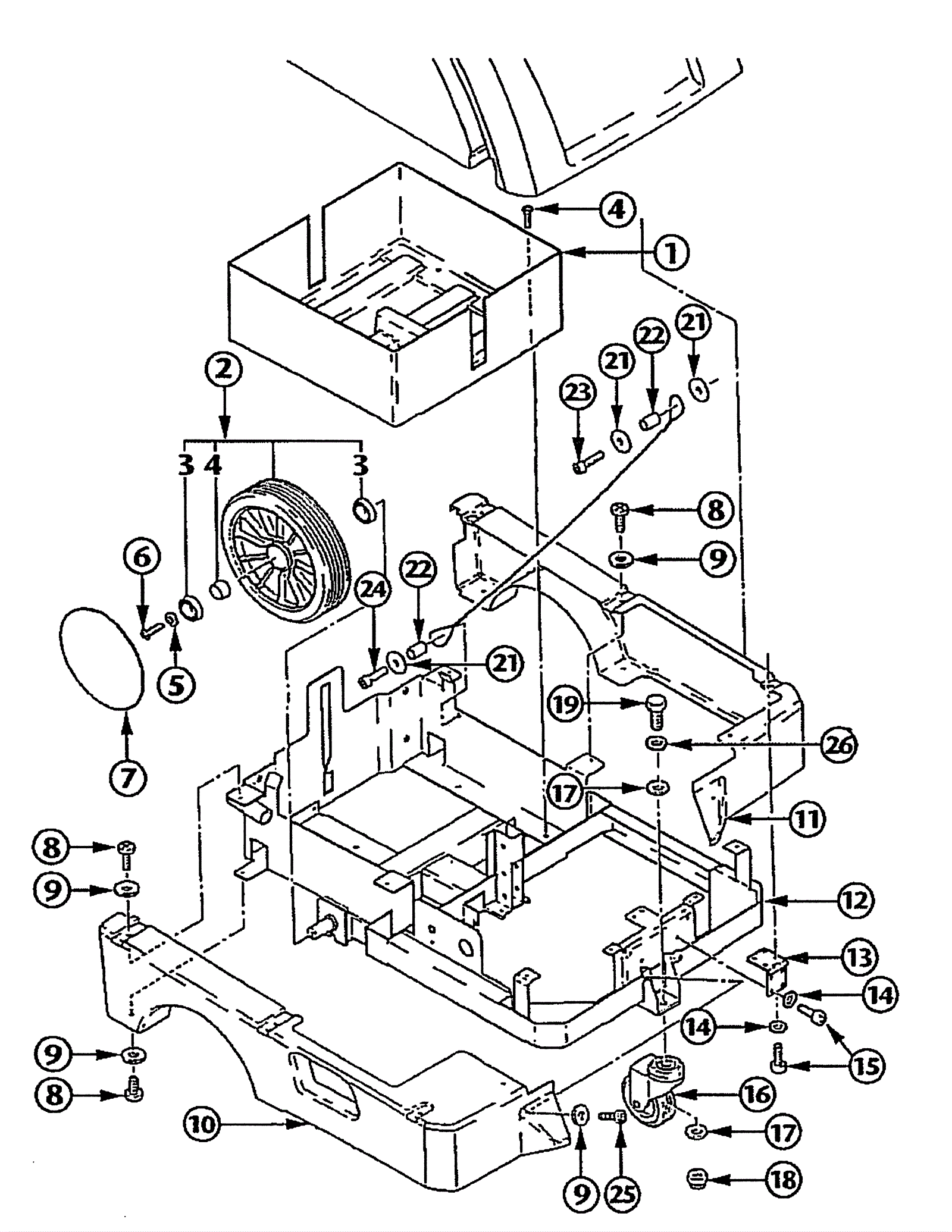
Battery Compartment
Click to enlarge