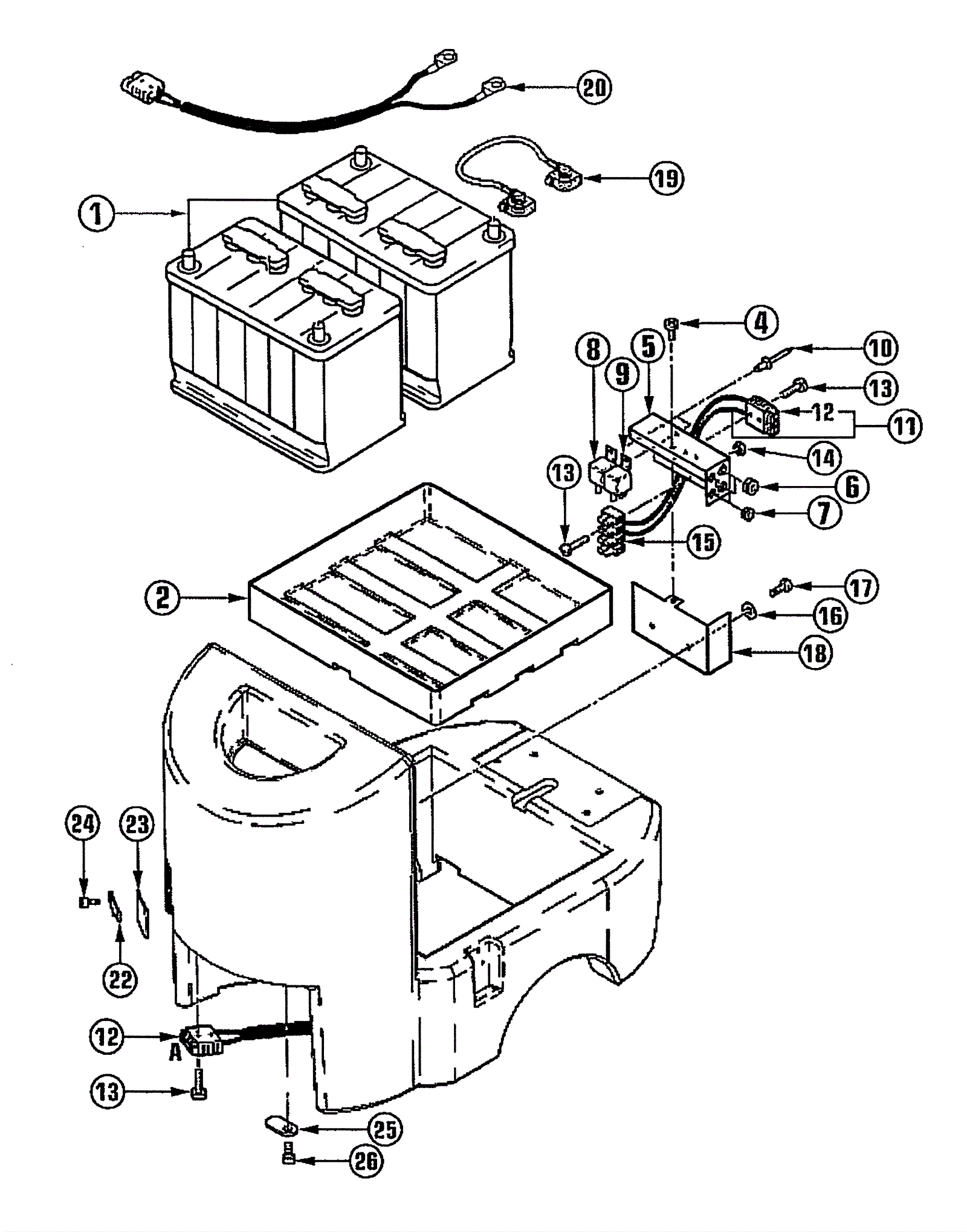
Battery Compartment Assembly
Click to enlarge