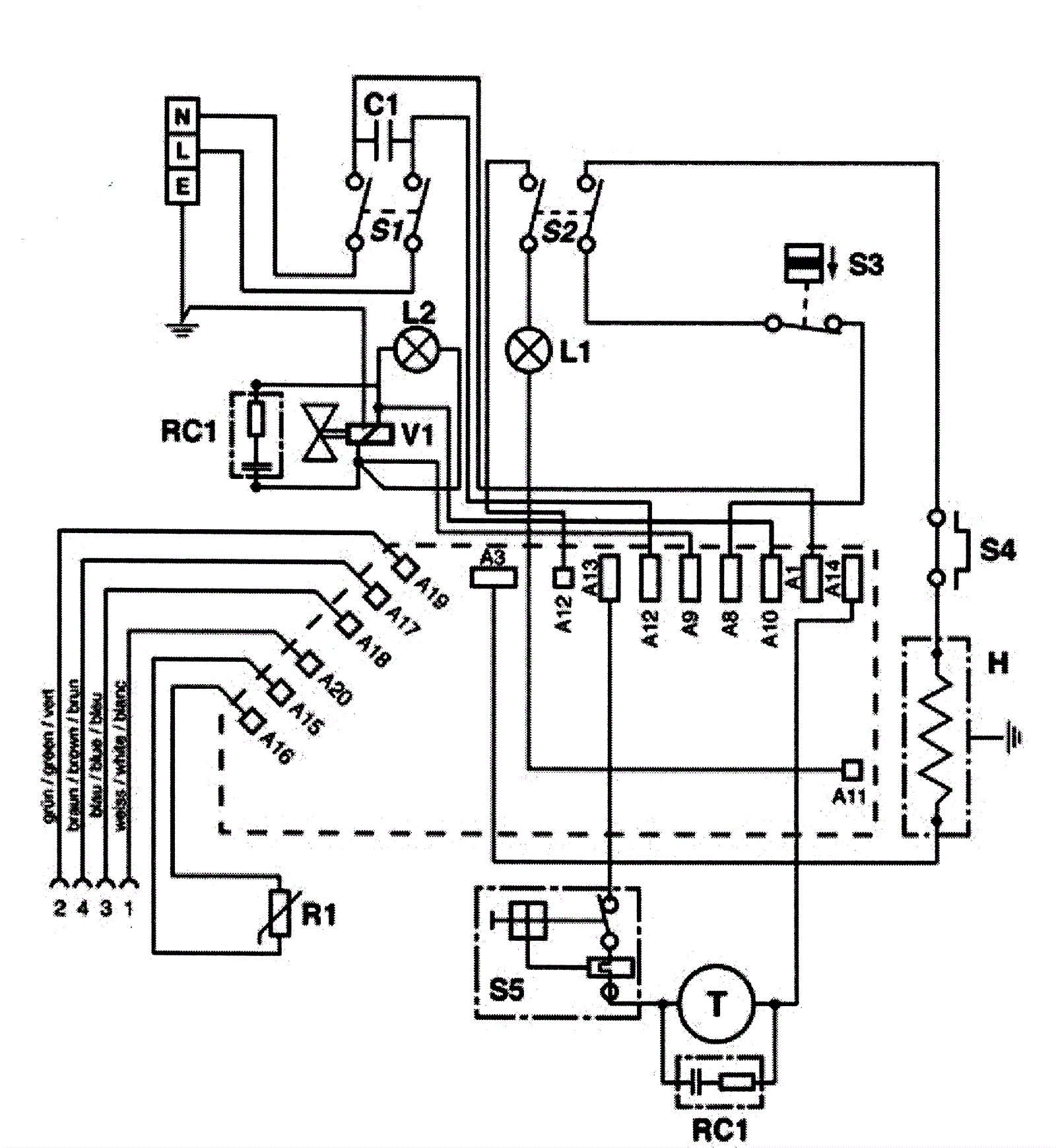
Wiring Plan
Click to enlarge