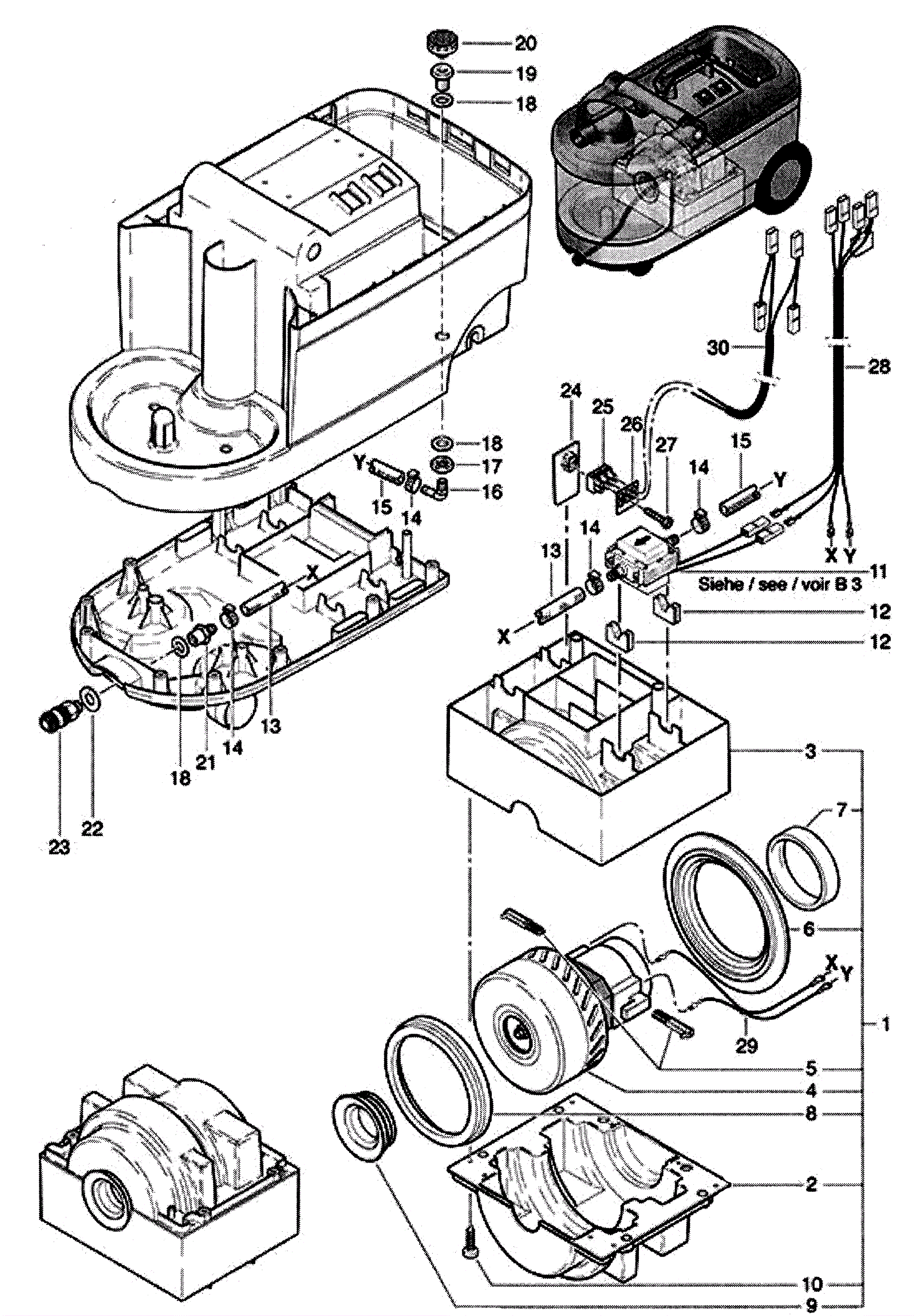
Motor Pump Assembly
Click to enlarge