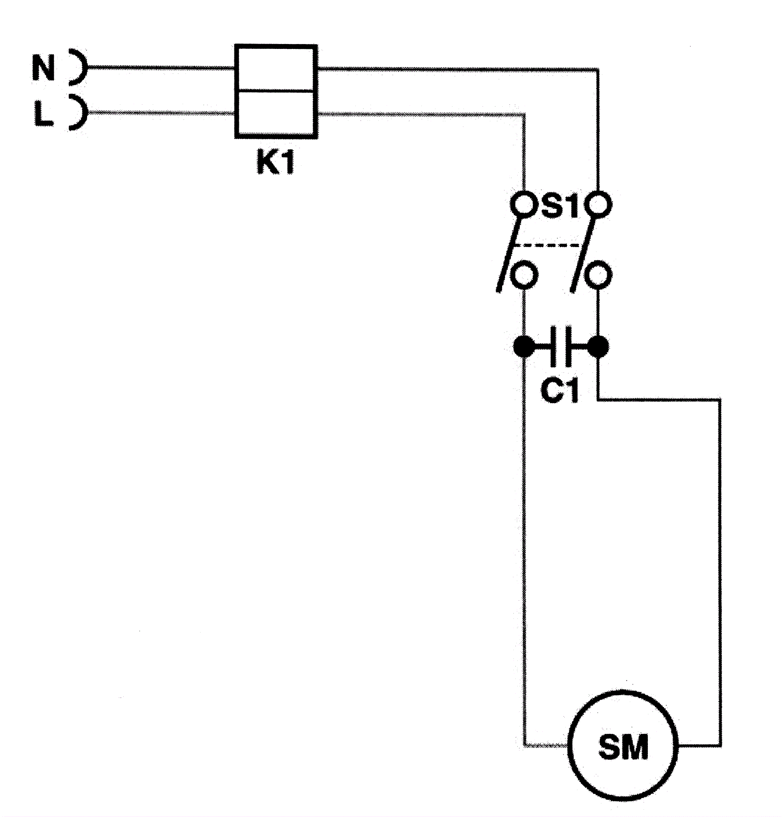
S10 Wiring Plan
Click to enlarge