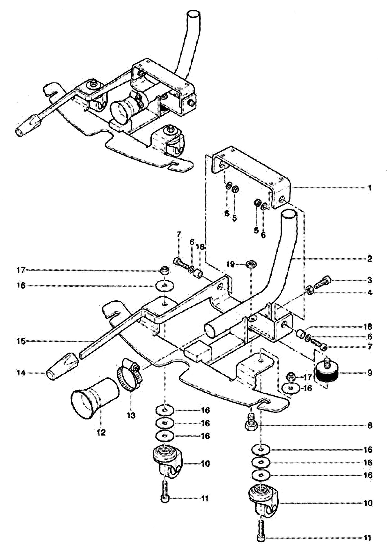
Nozzle Suspension Assembly
Click to enlarge