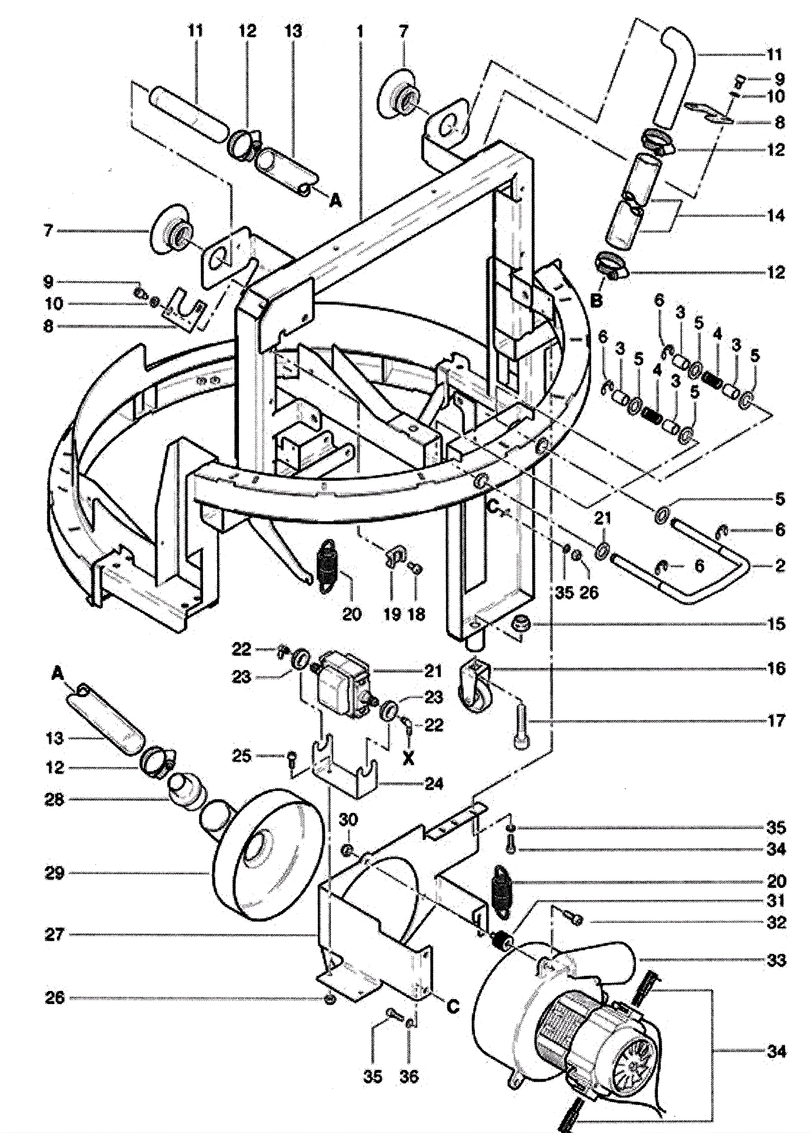
Suction Assembly
Click to enlarge