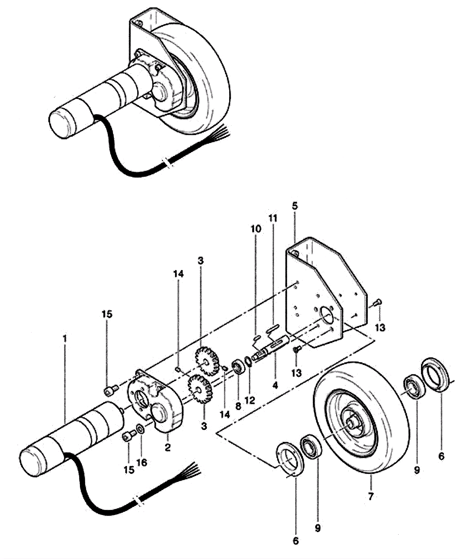
Drive Support Assembly
Click to enlarge