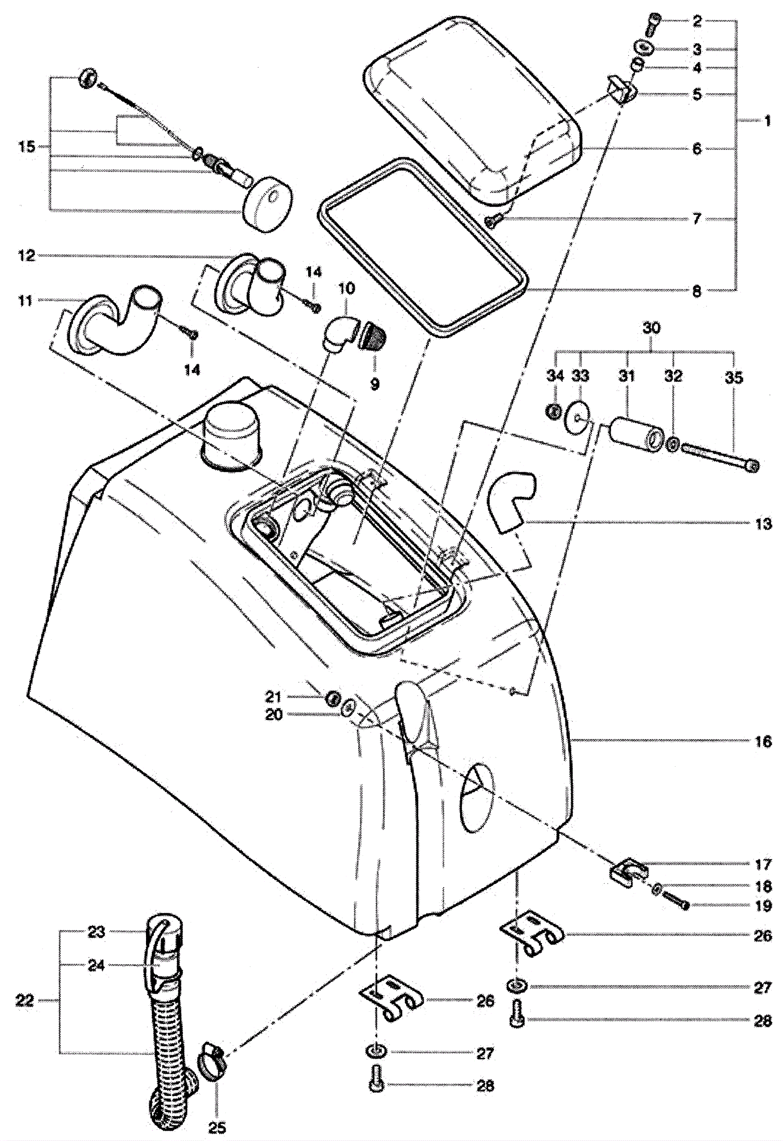
Waste Water Tank Assembly
Click to enlarge