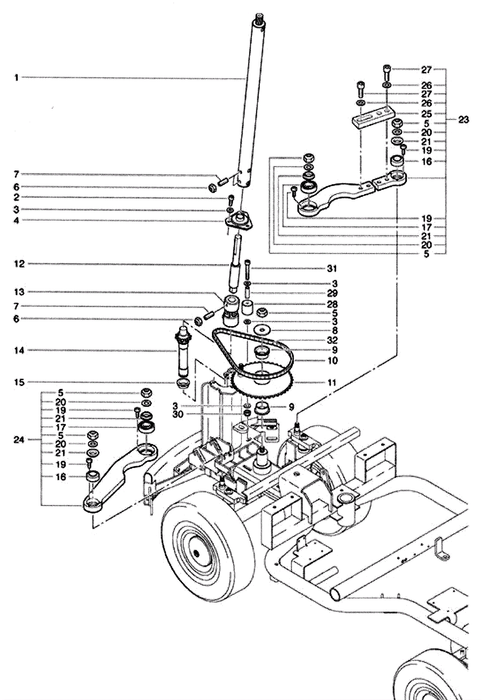
Steering Mechanics Assembly
Click to enlarge