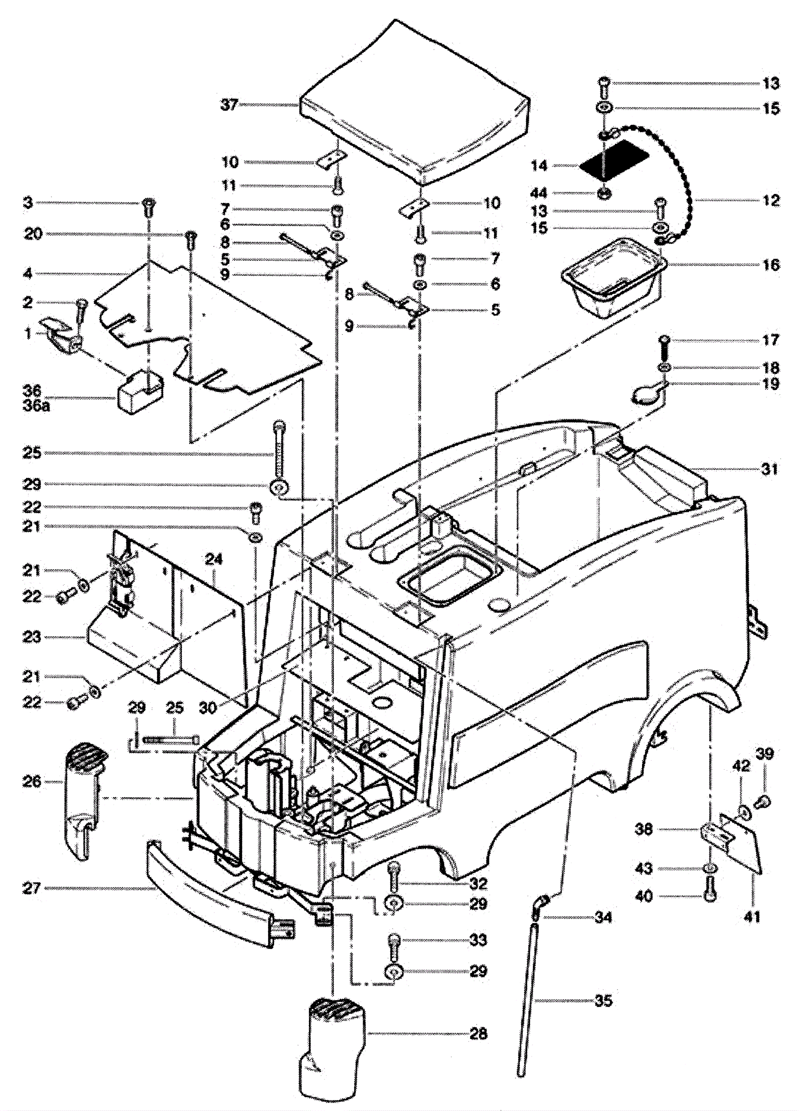
Clean Water Tank Assembly
Click to enlarge