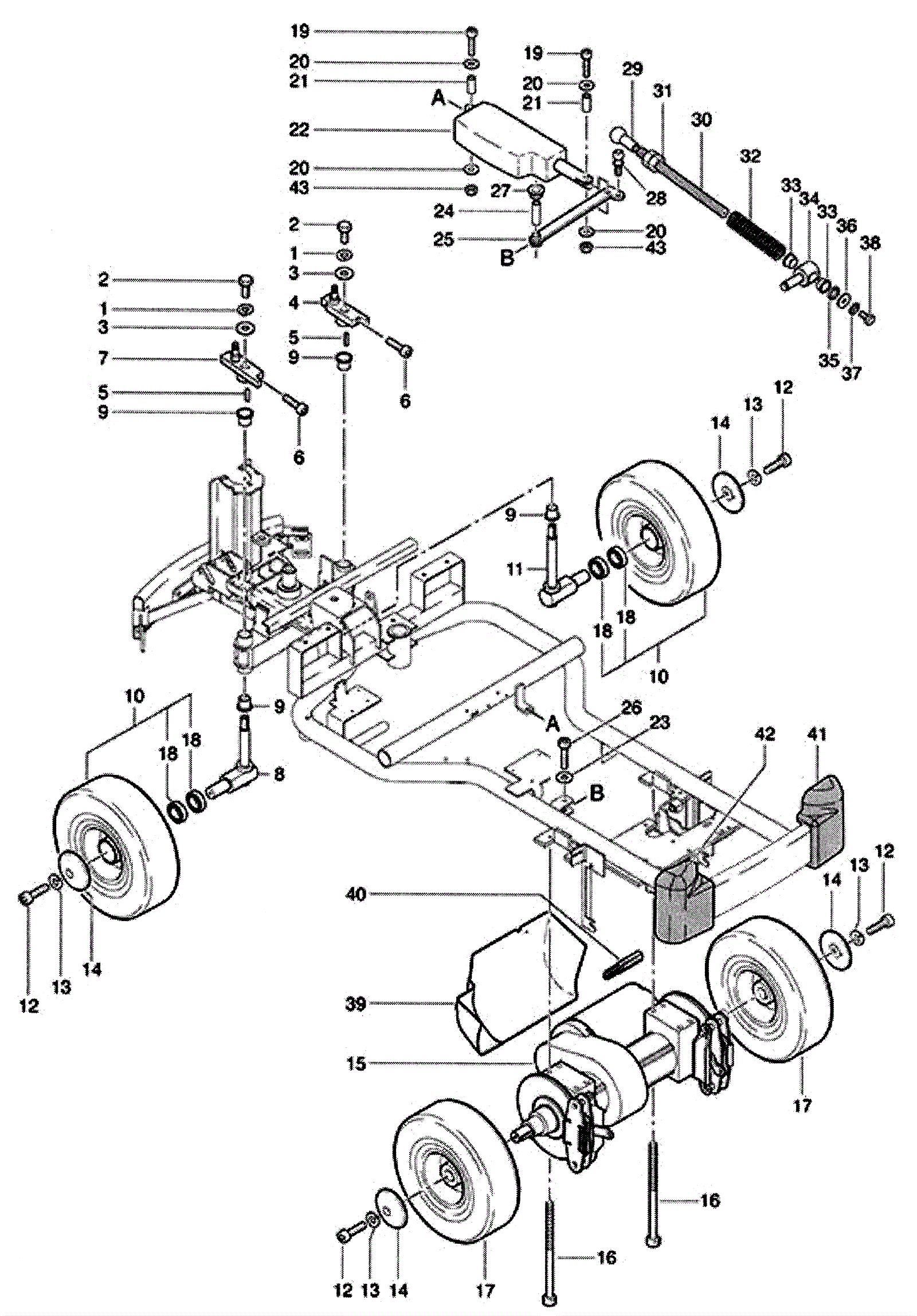
Chassis Assembly
Click to enlarge