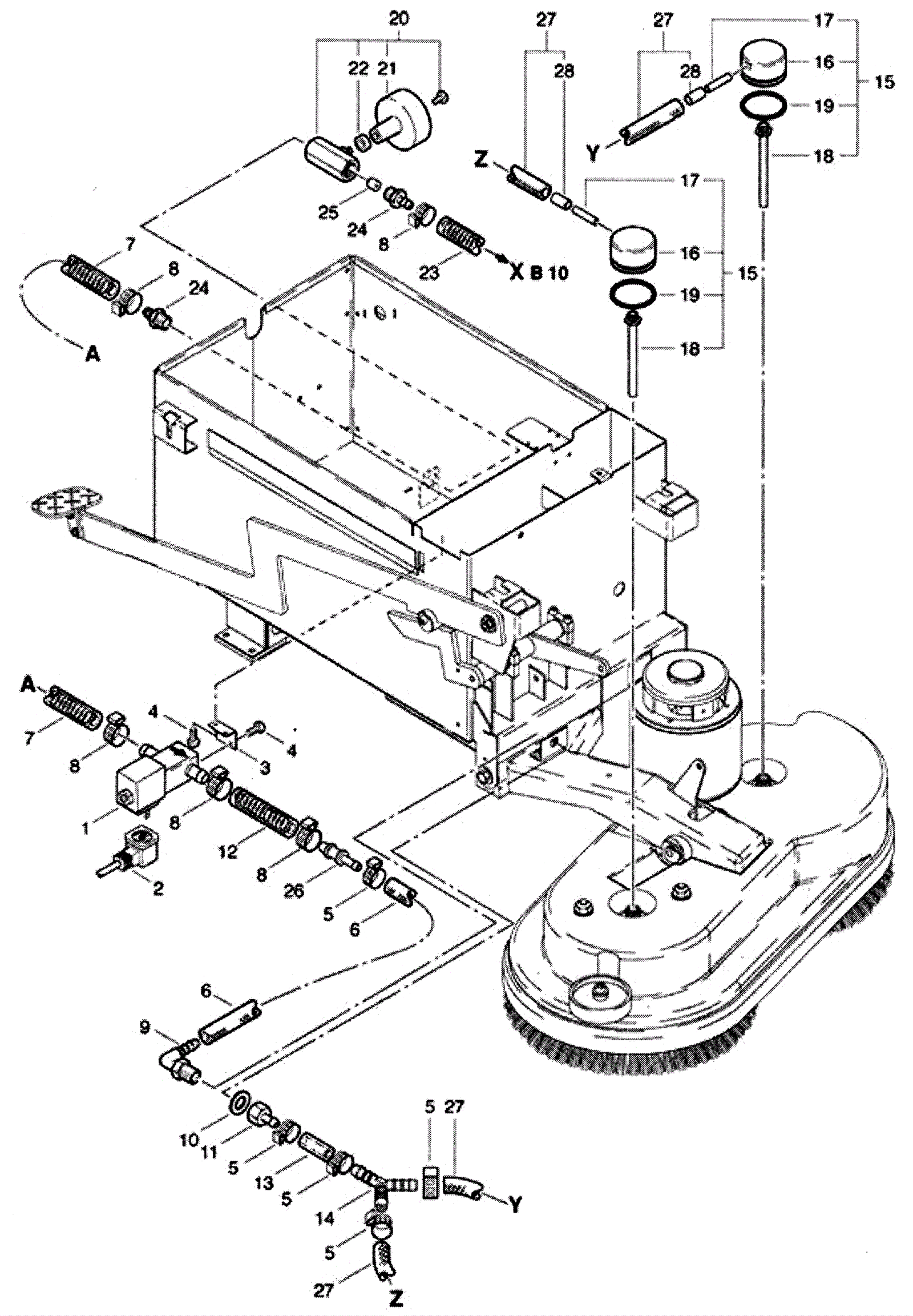
Water Distribution Valve Assembly
Click to enlarge