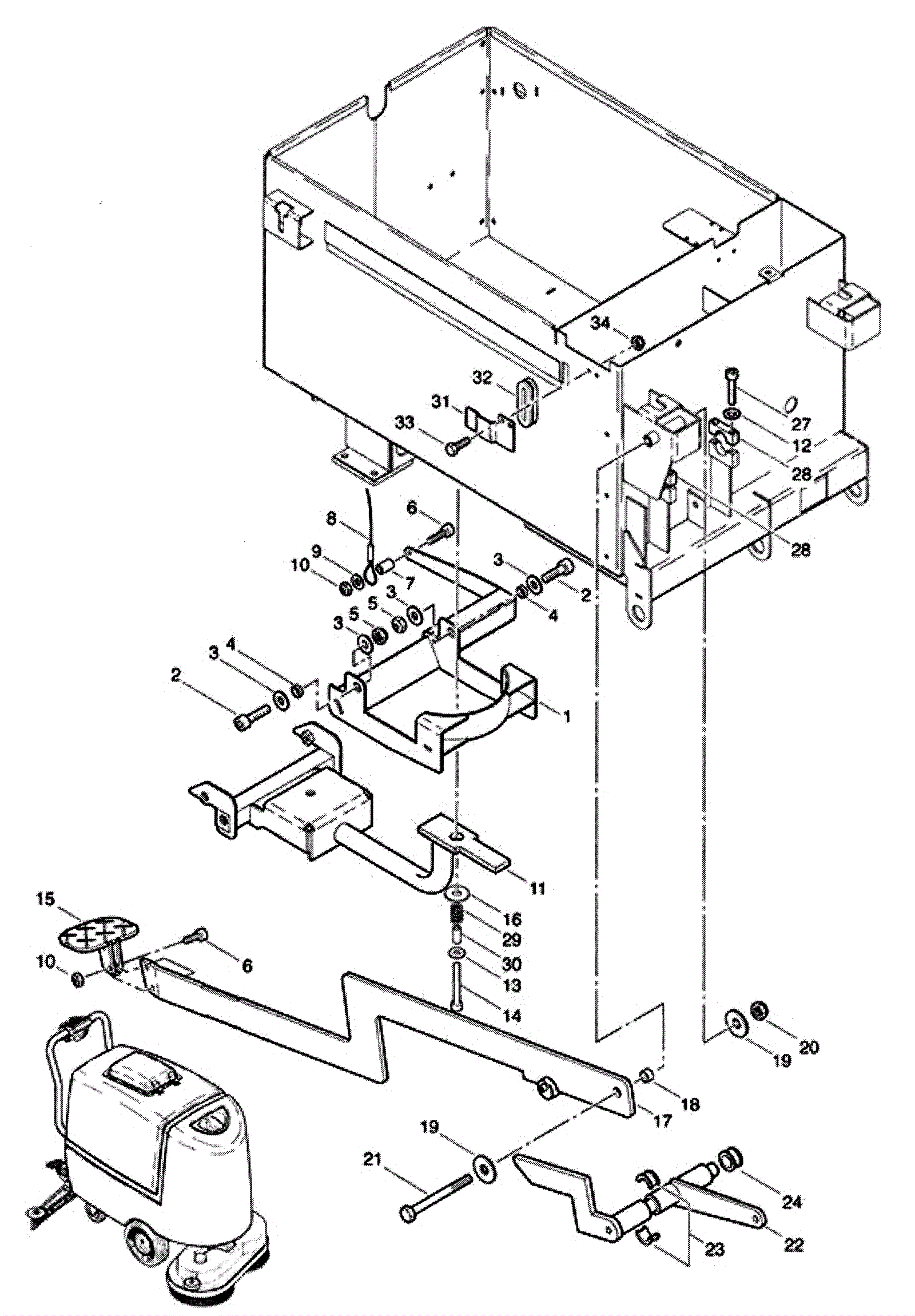
Lifting Lever Assembly
Click to enlarge