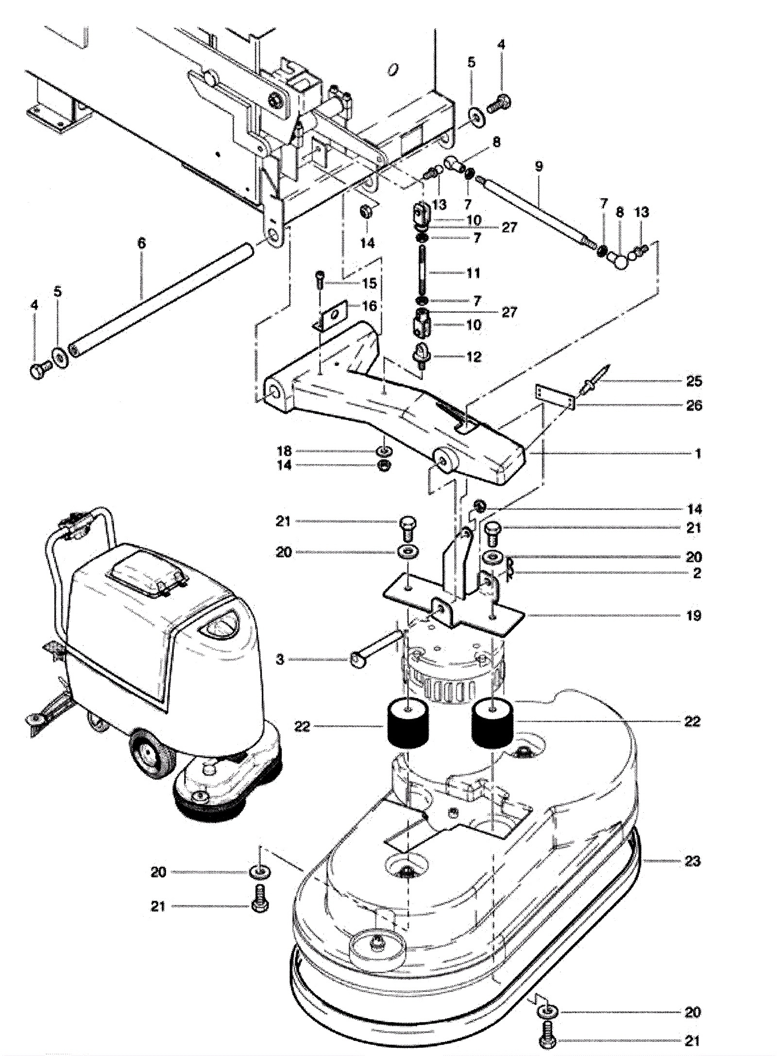
Extension Brush Assembly
Click to enlarge