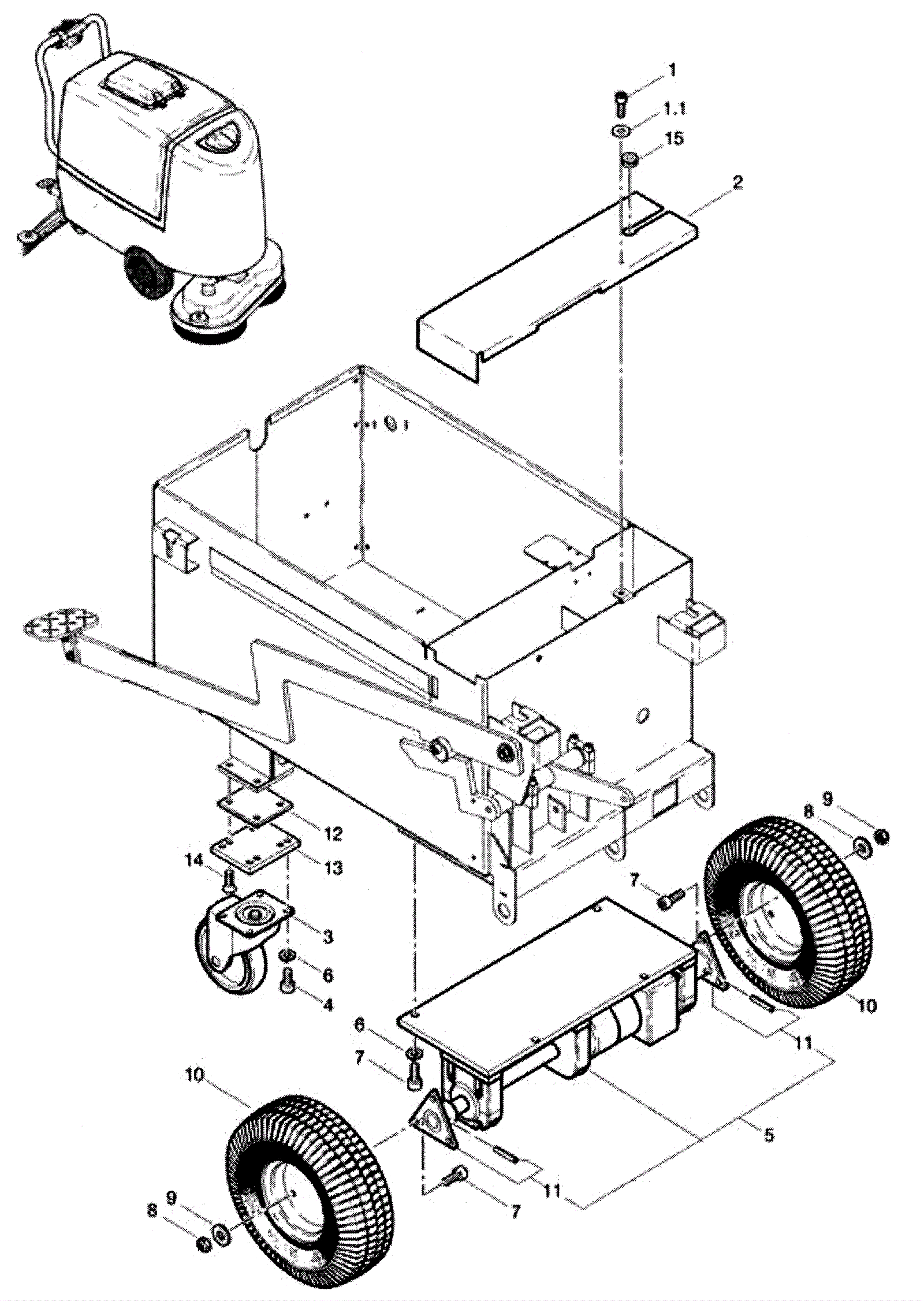
Wheel Assembly
Click to enlarge