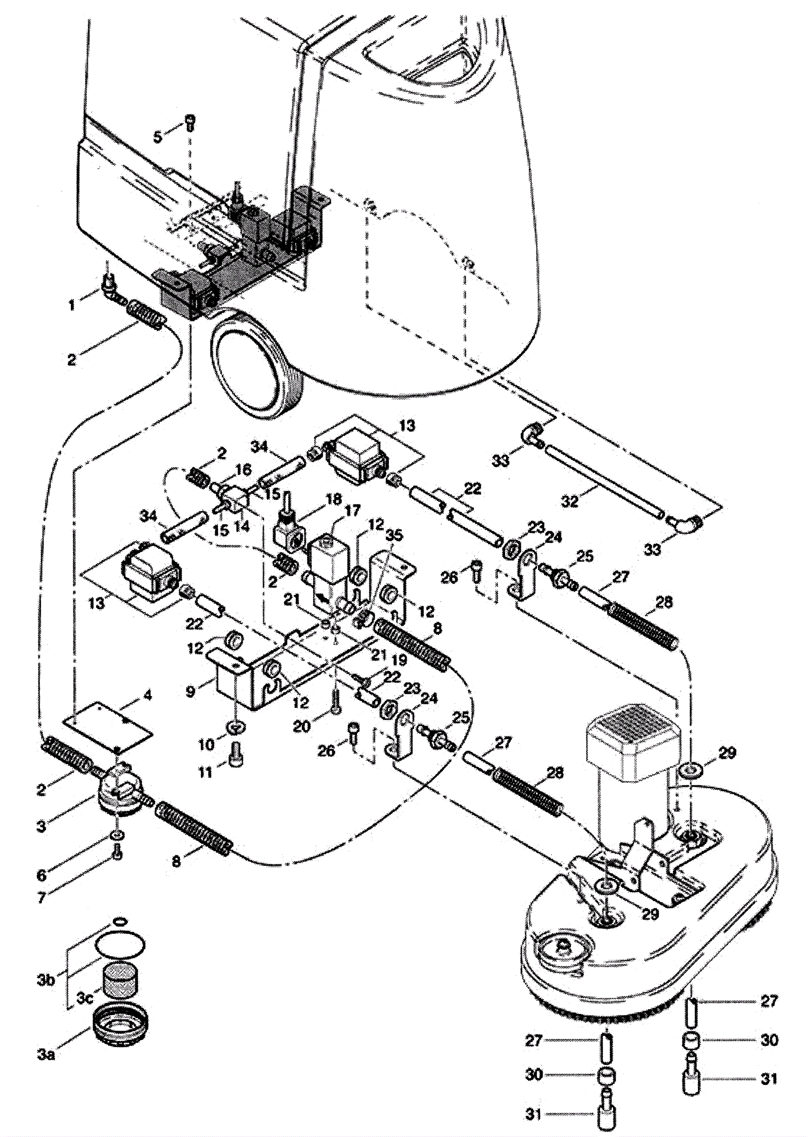
Water Distribution Assembly for SN 8645.001
Click to enlarge