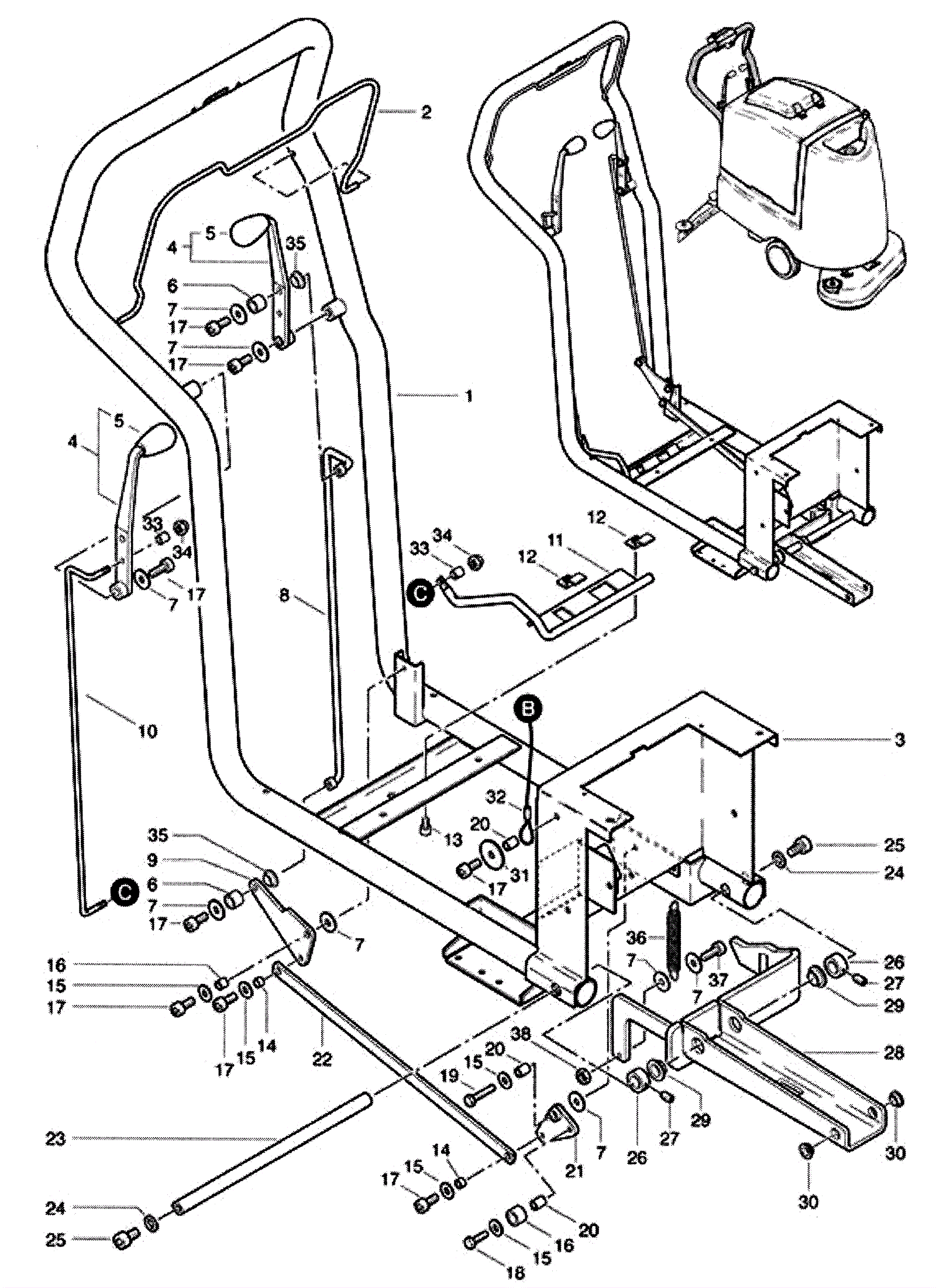
Pushbar Assembly
Click to enlarge