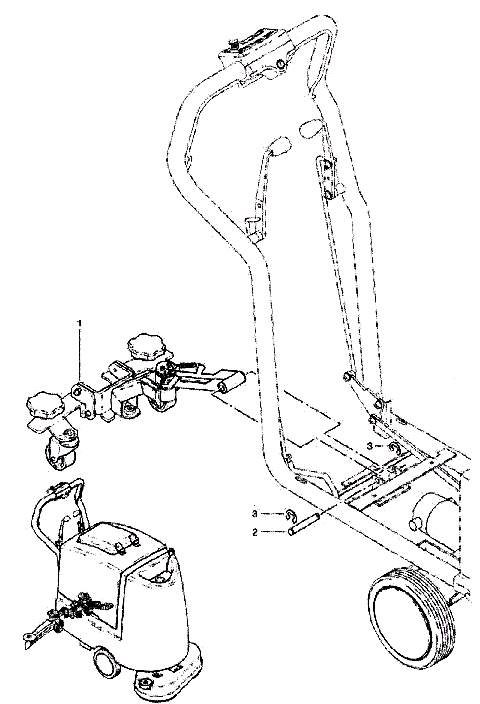
Suspension Assembly from SN 8613.001 to SN 8649
Click to enlarge