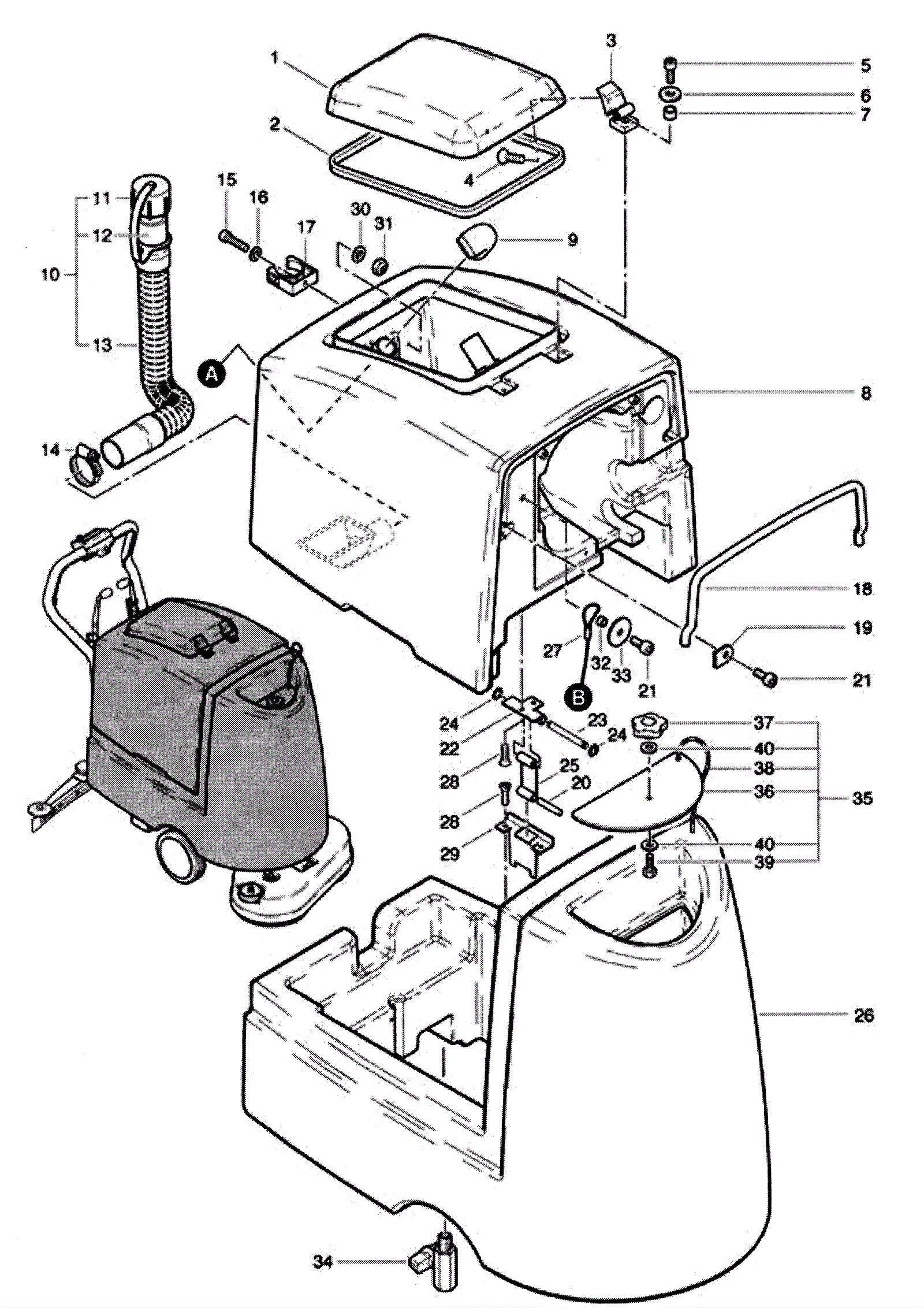
Recovery and Solution Tank Assembly
Click to enlarge