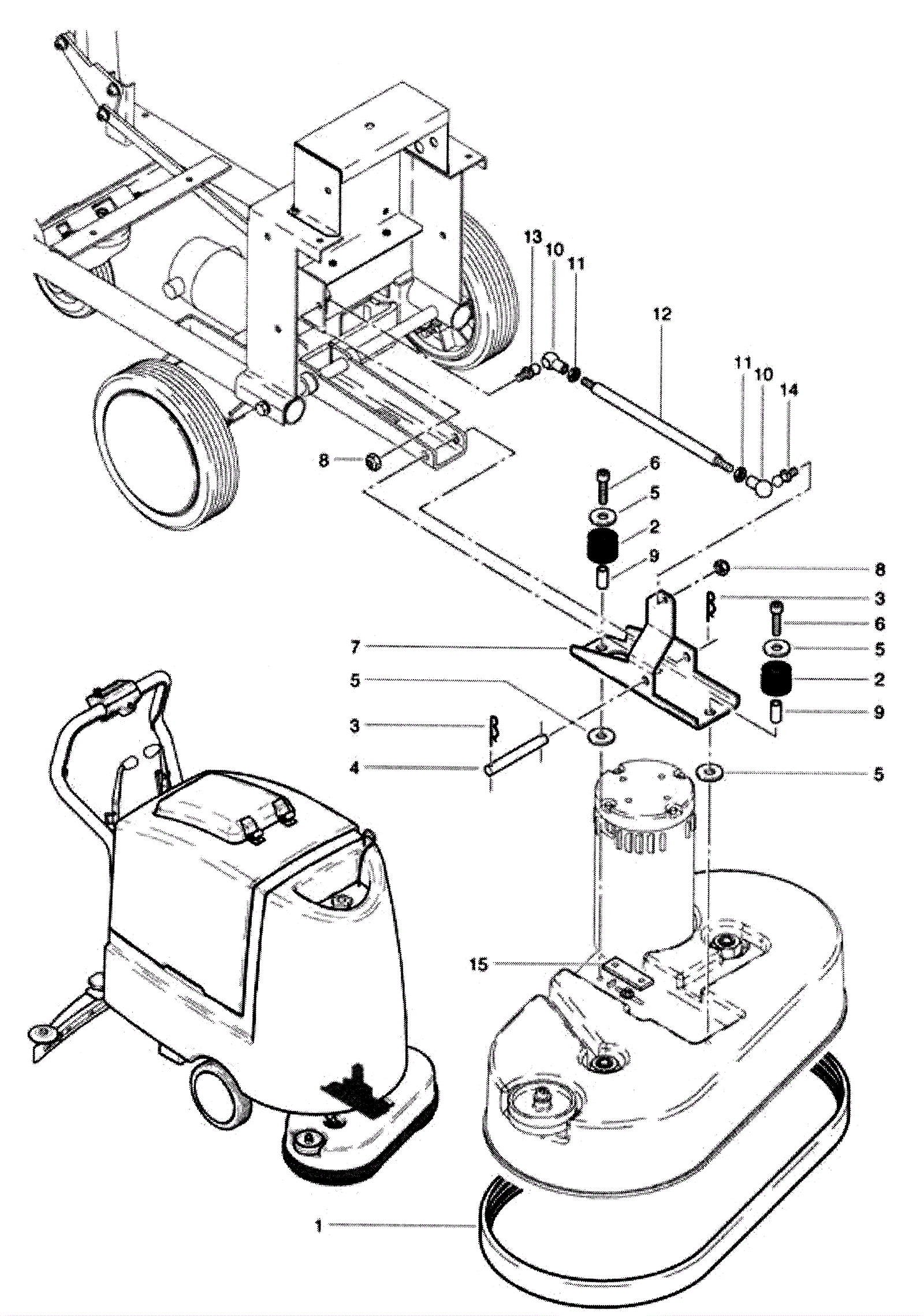
Brush Drive Assembly
Click to enlarge