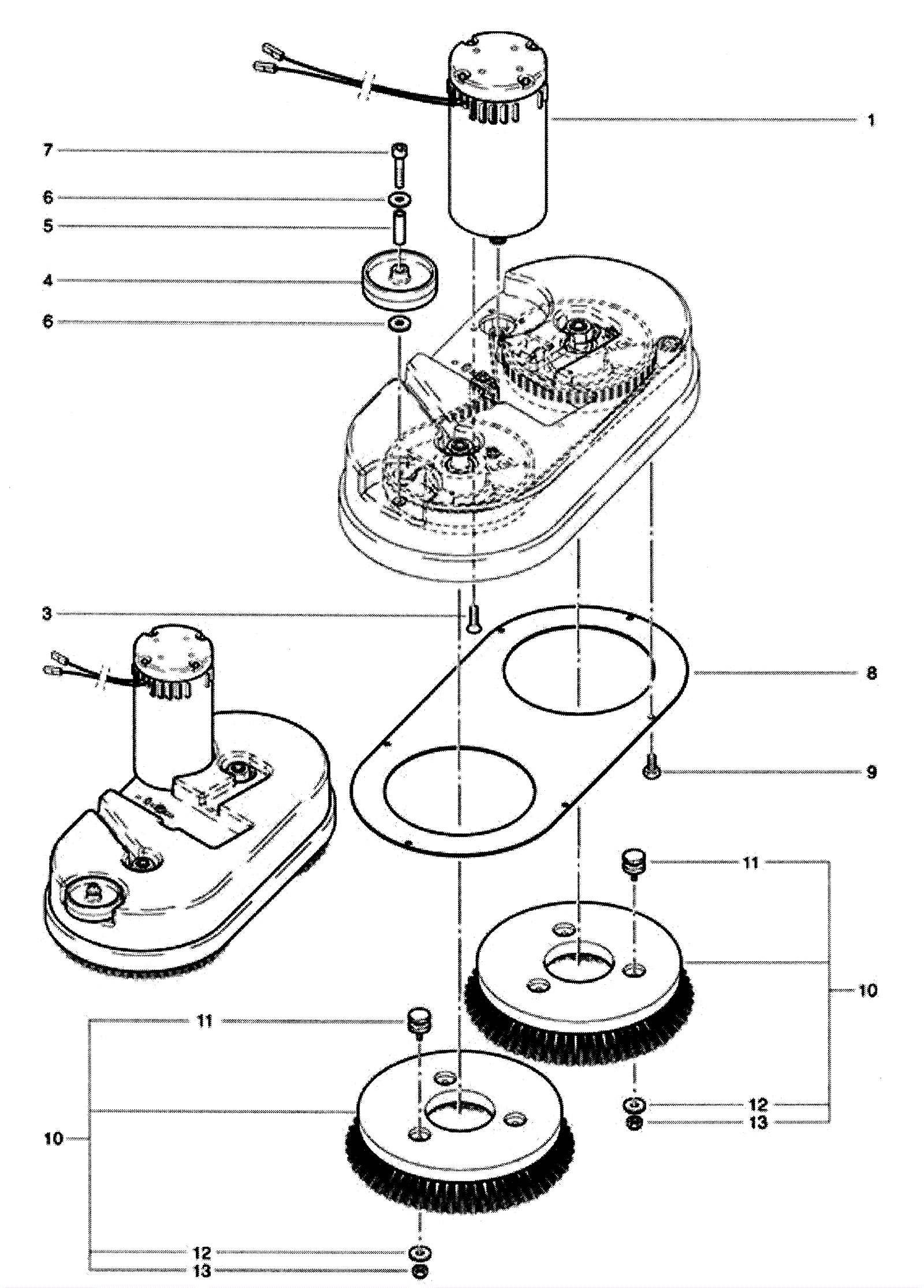
Brush Assembly
Click to enlarge