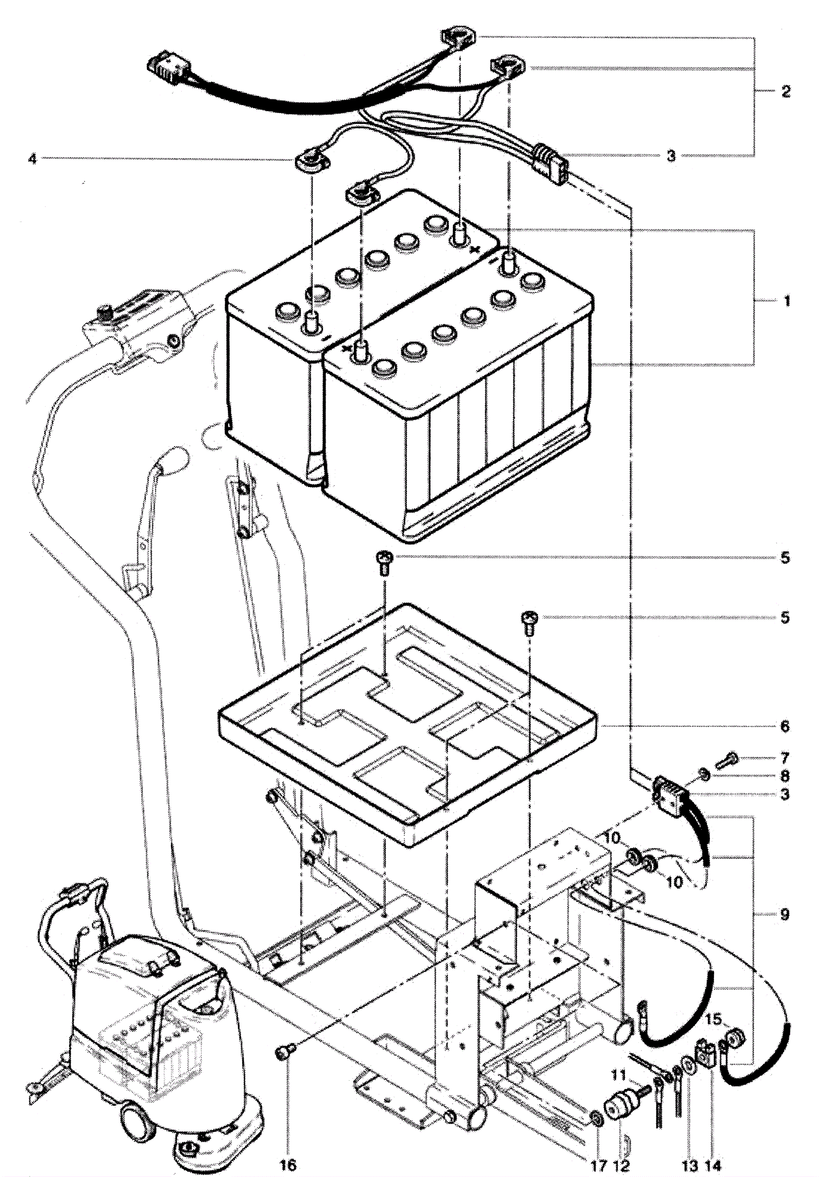
Battery Assembly
Click to enlarge