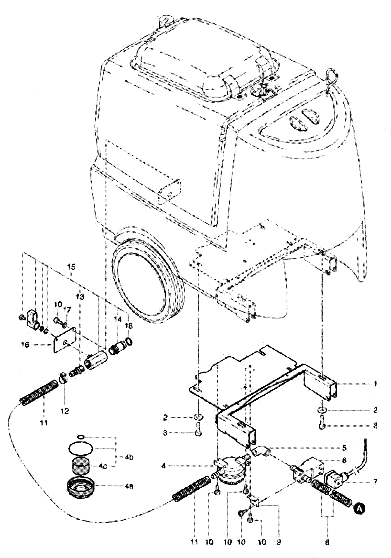
RA 431B
Valve and Filter Assembly
Click to enlarge
#
Part
Description
Price
Req
Notes
Availability
6
295-3070
24V magnetic valve
$308.00
1
usually ships 10-11 days