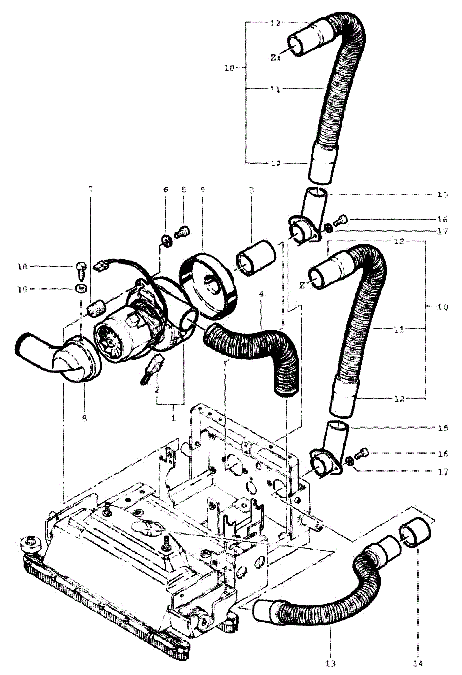
Vacuum Motor Assembly
Click to enlarge