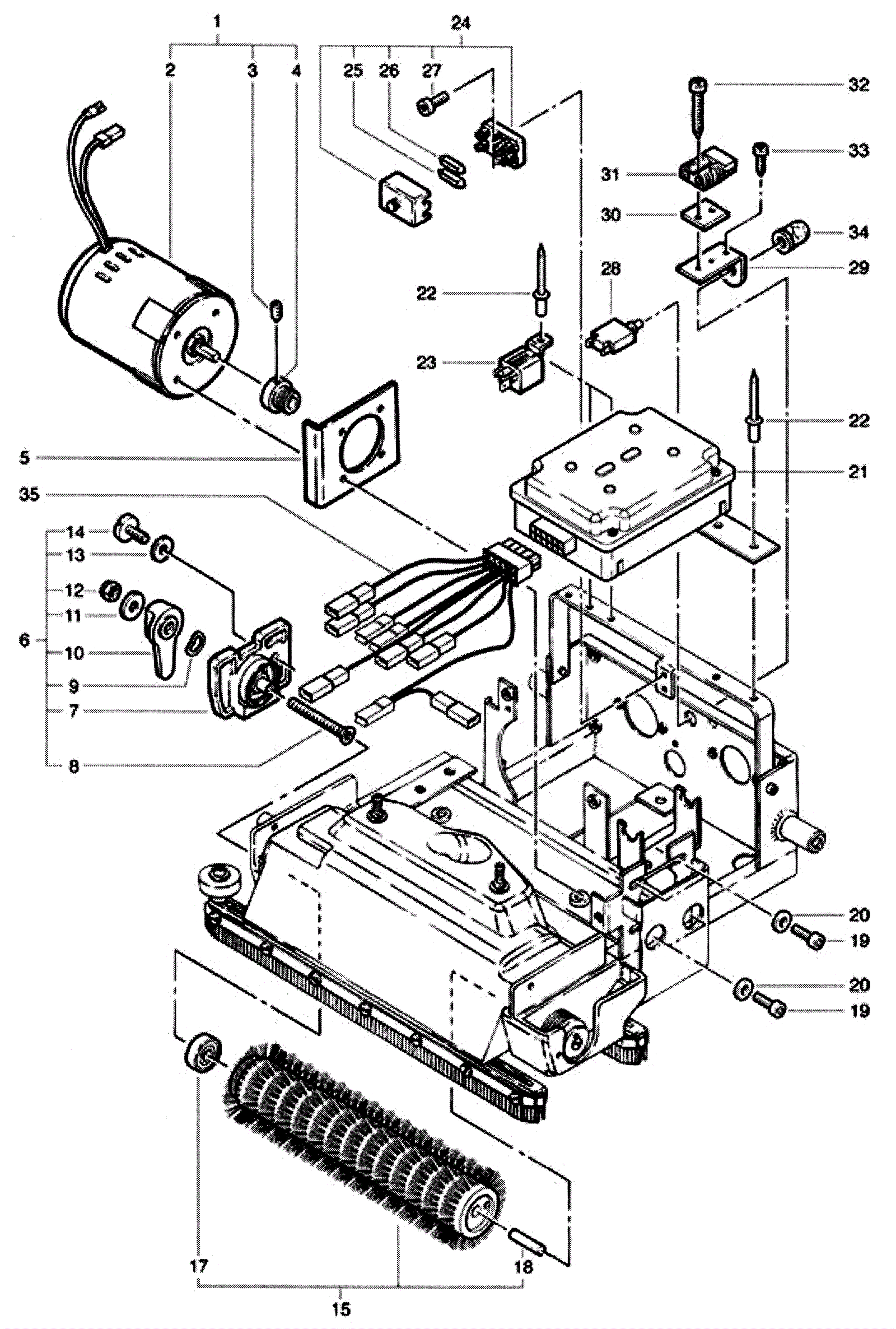
Motor Assembly
Click to enlarge